1. 서 론
최근 옥외광고물의 난립으로 인하여 경관 훼손의 문제는 물론 강풍으로 인한 파손이나 추락 등의 사고가 빈번히 발생 하는 실정이다. 옥외광고물 등 관리법에 의하면 옥외광고물을 공중에게 항상 또는 일정 기간 계속 노출되어 공중이 자유로이 통행하는 장소에서 볼 수 있는 시설물로 ‘공공시설물’의 성격을 갖는다. 이러한 이유로 옥외광고물은 개인의 주의뿐만 아니라 제도 및 규정을 통해 안전관리가 이루어질 필요가 있다. 그러나 옥외광고물의 안전관리와 관련한 현실은 여러 가지 측면에서 많은 어려움이 있다.
먼저 국내의 옥외광고물 안전관리와 관련된 법은 명칭과 적용범위 등이 법규마다 상이하게 규정되어 옥외광고물에 대한 안전관련 업무체계에 혼선을 야기한다. 옥외광고센터 (2013)에서는 옥외광고물 안전 표준 매뉴얼이 발행되었지만, 사후관리 또는 안전점검이 주요 내용이며 옥외광고물의 설계 단계로부터 시작되는 구조 안전성에 관한 안전관리는 고려 되지 않고 있는 실정이다. 또한 행정자치부의 옥외광고업정보에 의하면 옥외광고물 산업은 중소규모의 업체가 전체 업계의 88%를 차지하고 있으며, 구조적 안전성을 보장하는 규정과 절차의 준수가 미비할 뿐만 아니라 안전관리 매뉴얼 내의 가이드라인 부재 및 모호성으로 인해 불법 광고물이 팽배해 있는 실정이다.
이러한 문제점으로 인해 태풍 및 강풍으로 인하여 옥외 광고물의 추락이나 파손으로 인해 물적·인적 피해가 보고되고 있다. 2012년 태풍 볼라벤이 내습한 인천지역의 일최대풍속은 14m/s 내외로 관측되어 건축구조기준에서 제시하고 있는 풍하중의 비해 약 75%에 낮은 풍하중이 작용하였음에도 옥외광고물로 인한 피해가 다수 발생하였다. 이와 같이 건축 구조기준에서 제시하는 풍하중에 비해 현저히 낮은 풍하중이 작용하였음에도 피해가 발생하는 것은 현재의 옥외광고물 설계 시 구조적 안전성 측면에 대한 고려가 거의 이뤄지지 않고 있으며, 이는 공학적 전문지식의 부족으로 건축구조기준 등을 이해하고 적용하기에 어려움이 있기 때문으로 판단될 수 있다. 이처럼 시설물의 안전관리는 안전관리를 수행해야 하는 주체가 담당분야의 전문적 지식의 부족과 같은 이유로 체계적으로 이루어지기에 어려움이 많으며, Kim 등(2008)은 국가지리정보시스템과 시설물과의 연계를 통해 시설물의 안전관리시스템을 개선하고자 하였지만 옥외광고물의 경우 무분별한 불법광고물로 인해 데이터베이스를 구축하기조차 어려운 실정이다.
옥외광고물은 구조물의 골조하중이 작용하는 주부재와는 달리 외벽에 설치되는 외장재와 같은 성격을 갖기 때문에 강풍에 취약한 시설물이지만 내용 디자인 관점의 설계만 고려되고 있으며, 이에 따라 옥외광고물의 구조적 측면에서의 내풍설계를 위한 표준안이 요구된다.
국민안전처(구 소방방재청)(2013)에서는 옥외광고물로 인한 피해를 저감하기 위해 옥외광고물 안전설치 기준 및 가이드 라인에 대한 연구를 수행하였으며 실험적, 해석적 방법을 통해 옥외광고물의 구조적 설계절차를 제시하였다. 또한 국민안전처 (구 소방방재청)(2015)에서는 옥외광고물의 취약요소를 분석 하고 각 요소별 저항성능을 제시하여 옥외광고물 설계에 대한 데이터베이스를 구축하였다. 이러한 선행연구의 경우 옥외 광고물의 제작과 시공과정에 대한 연구이며, 옥외광고물의 설계의 기본이 되는 풍하중 산정 기준에 대해 연구한 바는 부족한 실정이다.
건축구조기준(이하 KBC)(2015)(안)에서는 옥외광고물 설계를 위한 풍하중 산정에 대해 부착간판과 밀폐형 독립간판 으로 구분하여 제시하고 있으며, 제시되어 있는 절차에 따라 풍하중을 산정하기 위해서는 관련 전문지식과 공학적 관점을 요구하고 있다. 하지만 앞서 언급한 바와 같이 옥외광고업체의 대부분이 중소규모라는 업계의 특성에 따라 제시된 절차를 적용하여 옥외광고물의 내풍설계를 하는 것은 쉽지 않다.
따라서 본 연구에서는 옥외광고물의 구조적인 안전성을 고려할 수 있도록 옥외광고물 내풍설계를 위한 표준안 연구를 수행하였으며, 표준안은 풍속에 영향을 주는 옥외광고물 설치위치의 주변 풍환경이나 높이, 설치위치 등 풍속과 관련한 요소를 반영하되, 비전문가적인 관점에서 표준안 적용이 용이할 수 있도록 요약적, 정량적으로 제시하였다.
2. 옥외광고물 표준 하중 산정 개요
2.1 옥외광고물 및 관련 업계 현황분석
옥외광고업체는 크게 가업형과 기업형으로 나뉘게 되는데, 기업형은 은행, 대형 유통업체, 주유소 등 전국 규모의 업체, 가업형은 자기 업소에서 반경 1km 이내의 소규모 상점의 간판을 제작하는 업체로 분류된다. 국내에는 가업형이 약 88%를 차지하고 있으며, 가업형의 경우 같은 가업형와의 경쟁에도 대응해야 하고, 기업형과의 경쟁에도 참여해야 하기 때문에 이윤을 남기기위해서 제작 단가를 최대한 낮추는 방법을 통해 경쟁력을 확보한다. 이러한 과정에서 합리적인 설계과정이나 구조적 안전성을 고려하지 않게 된다. 이러한 문제는 실제 불법광고물의 정비현황을 통해 파악할 수 있으며, 2009년에 실시한 옥외광고센터의 조사에 따르면 2011년 한 해 동안 약 1,200만 건의 불법광고물을 정비하였다. 이러한 실정은 실제 피해상황으로 나타나는데, 국민안전처의 일일재난종합상황 보고 자료(2000-2014)에 따르면 15년간 옥외광고물 관련 재해는 총 67건으로 강풍에 의한 옥외광고물 파손 피해는 이중 48건으로 72%를 차지한다.
또한 이러한 문제점을 개선하기 위한 국내의 옥외광고물 제조와 관리에 대한 전문적인 지식습득 과정을 이수할 만한 기관이나 매뉴얼이 전무한 실정이다. 앞서 언급한바와 같이 국내의 옥외광고물 업계는 대부분 가업형 업체이며, 옥외 광고물에서의 디자인이라 함은 구조설계의 개념이 아닌 외적 디자인의 관점만을 반영하고 있기 때문에 공학적 구조적 전문지식을 갖춘 업계 종사자는 거의 전무하다. 이러한 상황임에도 구조적 안전관련 교육기관이 부재하기 때문에 체계적인 안전관리가 어려운 실정이다.
따라서 본 연구에서 제시하는 표준안은 옥외광고물의 구조적 안전성을 확보하기 위한 것으로, 관련 전문지식이 부족하다 하더라도 옥외광고물을 설계함에 있어 용이하게 적용할 수 있도록 정량적이고 요약적으로 표준안을 제시한다.
2.2 옥외광고물 내풍 설계 표준하중 산정 절차
‘옥외광고물 등 관리법 시행령‘ 제3조에 의하면 옥외광고물은 가로형 간판, 세로형 간판, 돌출 간판, 공연 간판, 옥상 간판, 지주이용 간판 등 총 17종으로 구분하고 있다. 그러나 17종은 구조적 관점, 형식적 관점, 용도적 관점 등이 혼합되어 있어 본 연구에서 추진하는 안전관리 측면의 표준안에 적용하는 분류로는 적합하지 않다. 따라서 본 연구에서는 옥외광고물의 적용범위를 가로형 및 세로형, 지주형, 돌출형 간판으로 제한 하며, 가로형 및 세로형 옥외광고물은 건물의 벽면에 가로 또는 세로로 길게 붙이는 간판을 의미하며 건축구조기준의 부착간판을 의미하며, 지주형 옥외광고물은 지주에 붙이거나 기둥에 설치하는 간판, 돌출형은 건물의 벽면에 튀어나오게 붙이는 간판을 의미하며, 건축구조기준의 밀폐형 독립간판에 포함된다. 또한 ’옥외광고물 등 관리법‘ 제4조에서는 옥외 광고물의 유형별로 허가대상 광고물을 규정하고 있으며, 이 규정에 포함되는 경우 허가를 받도록 하고 있으며 이 경우 구조설계에 관한 서류를 제출해야 한다. 본 연구 결과의 표준 안은 구조설계를 고려하고 있지 않은 광고물을 대상으로 하였다.
옥외광고물의 구조적 설계 시 가장 먼저 풍하중을 산정해야 하며, 이를 위해서 설계풍속의 산정이 선행되어야 한다. 설계 풍속은 대상 구조물의 위치 높이, 지표조도, 지형을 고려하며, 추가적으로 건축물 파손으로 인한 인명피해 여부에 따라 중요도계수를 적용하여야 한다. 본 연구에서는 풍하중 산정 기준시 고려되는 인자 중 지형에 대한 영향과 지표조도에 따른 고도분포계수, 기본풍속에 대해 KBC(2015)(안) 활용하여, 비전문가도 용이하게 풍하중 산정을 위한 설계풍속을 산정할 수 있도록 기본풍속, 지표조도의 영향, 지형의 영향, 설치 높이에 따른 영향의 평가방법에 대해 요약적 정량적 방법을 수립한다. 이와 같은 요소를 고려하여 산정된 설계풍속을 통해 설계속도압을 산정하고, 이를 이용하여 구조물의 종류에 따라 단위면적당 풍하중을 산정한다.
본 연구의 대상인 가로형 및 세로형 옥외광고물과 지주형 및 돌출형 옥외광고물 중 가로형 및 세로형 옥외광고물은 대상 구조물의 설치 높이와 설치위치, 건물의 위치와 최소폭을 고려하여 단위면적당 풍하중을 산정하며, 지주형 및 돌출형 옥외광고물은 구조물의 변장비와 틈새비를 통해 단위 면적당 풍하중을 산정한다(Fig. 1).
3. 내풍설계 풍속 산정
3.1 지역별 기본풍속
시공위치에 따라 주변의 지표상황과 지형형상이 상이하기 때문에 옥외광고물의 작용하는 풍속도 상이하다. 따라서 옥외 광고몰의 설치지역에 따라 풍속을 달리 적용해야 하며, 각 지역에 맞는 지형의 효과와 지표의 영향을 반영하여 풍하중을 산정하여야 한다.
KBC(2015)(안)에서는 구조물 설계에 필요한 설계풍속 (VH)에 대해 기본풍속(V0)과 지형의 영향을 반영하는 계수 (이하 지형계수, Kzt)와 지표면 거칠기의 영향을 반영한 계수 (이하 풍속고도분포계수, Kzr)를 적용하고, 건축물의 용도에 따라 중요도 계수(Iw)를 적용하여 식 (1)과 같이 산정하도록 하고 있다.
여기서, 기본풍속은 평지, 개활지에서의 10m에서의 10분 평균풍속을 의미한다. KBC(2015)(안)에서는 지역별 상이한 기본풍속에 대해 관측풍속을 이용한, 통계분석을 통해 기본 풍속을 산정하여 반영하도록 하고 있으며, 데이터 등이 여의치 않을 경우 지역별 기본풍속을 제시하고 이를 사용하도록 하고 있다. 또한 앞서 언급한 바와 같이 비전문가적 관점에서 관측풍속을 이용하여 기본풍속을 산정하기에는 어려움이 있기 때문에, 최신의 풍속데이터가 반영된 KBC(2015)(안)에서 제시하고 있는 기본풍속을 사용하여 옥외광고물의 내풍설계에 적용한다. 중요도계수의 경우 Table 1과 같이 5등급으로 나뉘며 각 등급별 계수를 적용한다.
Table 1
Classification of importance factor(KBC 2015(revision))
| Category | Tall building | Special | 1 | 2 | 3 |
|---|---|---|---|---|---|
| Importance factor(Iw) | 1.13 | 1.00 | 0.95 | 0.90 |
‘초고층 건축물’의 경우 20층 이상 200m이상의 건축물에 적용하며, ‘특’등급은 연면적 1,000m2 이상의 위험물 저장 시설 및 처리시설, 지방자치단체의 청사 소방서 등이 있고, ‘1’등급은 1,000m2 미만의 위험물 저장시설 및 처리시설 지방자치단체의 청사 소방서등에 적용하며, ‘3’등급은 창고, 농업시설물, ‘2’등급은 붕괴 시 인명피해가 없는 ‘특’, ‘1’등급에 해당되지 않는 시설물에 적용한다. 옥외광고물의 경우 대체로 고층 빌딩 또는 상업지역 등 유동인구가 많은 지역에 설치 되므로 ‘특’, ‘1’ 등급에 속한다. 따라서 50층 이상에 설치되는 경우를 제외하고 중요도계수는 1.00을 사용한다.
3.2 지역별 지표거칠기를 반영한 설계풍속
식 (1)에서 Kzr은 지표조도구분을 반영한 풍속 고도분포 계수이며, 지표조도구분이란 지표면의 거칠기 요소들에 따라 정성적으로 단계를 분류한 구분이다, 도로교 설계기준(2010) 에서는 지표조도구분을 I, II, III, IV로 총 4단계로 구분하고 있으며, 조도구분이 I에서 IV로 증가함에 따라 지표조도가 거친 상태임을 나타낸다. KBC(2015)(안)에서는 도로교 설계기준과 마찬가지로 4단계로 분류하며, A, B, C, D로 나타낸다. A는 도심지 중심부로 지표조도가 거친 상태를 나타내며, D로 갈수록 조도요소가 적은 상태를 나타낸다. 지표면에 조도요소가 다수 존재하면 표면의 마찰력이 작용 하여, 지표근처의 풍속은 낮아지게 되며, 고도가 올라감에 따라 풍속이 증가하고, 기압경도력, 전향력, 원심력이 규형을 이루는 고도가 되면, 풍속이 일정해진다. 이때의 바람을 경도풍이라 하고, 이때의 고도를 경도풍고도라 한다. 이러한 이유로 지표면조도구분이 D에 가까울수록 지표근처의 마찰력이 작고, 경도풍에 쉽게 도달하게 되어 경도풍 고도가 낮다. 건축구조기준에서는 이러한 지표면 조도구분별 고도에 따른 풍속분포를 반영하기 위해 경험적으로 유도된 지수법칙을 사용하고 있다(Table 2).
Table 2
Velocity pressure exposure coefficient by surface roughness classification(KBC 2015(revision))
| Height above ground z(m) | Exposure category | |||
|---|---|---|---|---|
| A | B | C | D | |
| z≤Zb | 0.58 | 0.81 | 1.00 | 1.13 |
| Zb<z<Zg | 0.22 | 0.45 | 0.71 | 0.97 |
여기서, Zb는 경계층고도를 나타내며 경도풍고도(Zg), 고도분포지수(α)는 Table 3과 같다.
Table 3
Parameter of velocity pressure exposure coefficient by surface roughness classification(KBC 2015(revision))
| Exposure category | A | B | C | D |
|---|---|---|---|---|
| Zb | 20m | 15m | 10m | 5m |
| Zg | 500m | 400 | 300 | 250m |
| α | 0.33 | 0.22 | 0.15 | 0.10 |
이와 같은 기준으로 지표조도에 따른 풍속의 고도분포를 반영하고 있지만 지표조도를 구분하는 방법은 Table 4에서 보이는 바와 같이 정량적으로 제시되어 있지 않고 정성적으로 제시되어 있기 때문에 공학적 판단이 요구된다. 따라서 비전문가적인 관점에서 지표조도를 평가하고, 풍속고도분포를 적용하기 위해서는 보다 정량적인 기준이 필요하다.
Table 4
Exposure category of the classification criteria(KBC 2015(revision))
AS/NZS 1170-2에서는 지표면조도구분을 판단하는 기준 으로 대상 지점 기준으로 최대 4km의 범위를 적용하며, 복합 적인 조도구분이 존재할 경우 가장 불리한 조건의 지표조도 구분을 선택하도록 하고 있다.
따라서 지표조도구분 중 D를 판단하는 근거로서 해안가 기준 4km 이내에 위치한 지역의 경우 지표면조도구분 D의 기준을 적용하여 풍속 고도분포를 반영한다.
지표조도를 구분하는 정량적인 수치로는 조도길이()를 들 수 있는데 이는 난류층을 지표면까지 확장한다고 가정하고, 바람의 진행을 방해하는 요소가 존재하지 않는다고 가정했을 때 풍속이 0이 되는 고도를 나타내는 수치로, 해안과 같이 지표가 매끈한 지역의 경우 조도길이가 작고, 도심과 같이 거친 지역은 조도길이가 크다(Simiu and Scalan, 1996). Table 5는 도로교설계기준(KHBD)(2010)에서 제공하는 지표조도구분별 를 나타낸다.
Fig. 2는 도로교설계기준의 지표면조도구분 I, II, III, IV와 건축구조기준의 지표면조도구분 D, C, B, A의 풍속고도 분포계수를 보여준다. Fig. 2에서 알 수 있듯이 건축구조 기준의 지표조도구분 A, B, C, D는 도로교설계기준의 지표조도구분 IV, III, II, I과 흡사한 것을 알 수 있다.
Table 5
Roughness length by surface roughness classification(KHBD 2010)
| Exposure category | Roughness length(z0) |
|---|---|
| IV | 1.00 |
| III | 0.30 |
| II | 0.05 |
| I | 0.01 |
따라서 도로교설계기준에서 고려하고 있는 와 건축구조 기준에서의 는 유사한 지표상황을 나타내는 것을 알 수 있다. 따라서 KBC 2015(안)의 지표조도구분 C에서의 는 약 0.05임을 알 수 있고. 0.05의 지표상태는 Wieringa (1992; 1993)와 Simiu와 Scanlan(1996)에 의해 농경지 지표상황과 가장 유사한 것을 알 수 있다(Table 6).
Table 6
Roughness length by experiment
| Surface condition | Wieringa(1993)(z0m) | Simiu and Scalan(1996) z0(m) |
|---|---|---|
| Sea | 0.002 | - |
| Urban | 0.4-1.5 | 0.20-3.00 |
| Woody | 0.35-1.6 | 0.10-1.00 |
| Cropland | 0.04-0.18 | 0.04-0.10 |
| Grove | 0.04-0.18 | 0.04-0.10 |
앞서 언급한바와 같이 지표면조도구분을 평가할 때 평가범위 내 여러 조도구분이 존재할 경우 가장 불리한 조도구분을 선택하도록 하고 있다. 따라서 평가범위 내에 농경지가 포함 될 경우 지표면 조도구분 C로 판단할 수 있으며, 소규모 농경지가 존재할 경우를 고려하여, 평가범위를 KBC(2015) (안)에서 제시하는 지표조도구분 평가 최소범위인 500m로 적용하였다. 농경지가 500m내에 포함 유무를 통해 조도구분 C를 평가하였으며, 이때 이용한 데이터는 환경공간정보서비스 에서 제공하는 대분류토지피복지도를 활용하였다. 토지피복 지도는 지표면 상태에 따라 수역, 나지, 습지, 초지, 산림, 농경지, 시가화지역에 따라 지표면상태를 나타내는 데이터로 해상도는 30m로 이루어져 있다. Fig. 3은 토지피복을 시가화지역, 농경지, 수변 및 기타로 나누어 나타낸 것이며, 토지피복지도의 농경지에 해당하는 위치를 기준으로 농경지를 500m로 확장하여 나타낸 것이다. 이를 통해 전체 시가화 지역의 77%가 500m내에 농경지가 포함되는 것으로 나타 났으며, 옥외광고물의 설치가 대부분 시가화지역임을 고려할 때 안전측의 관점에서 지표조도구분 C로 평가할 수 있다.
따라서 본 연구에서는 설계풍속 산정을 위한 지표조도 구분을 Table 7과 같이 정의한다.
3.3 지역별 지형의 영향을 반영한 설계풍속
바람은 언덕과 같은 경사지를 지날 경우 풍속이 할증되며, 표준안에는 지형에 의한 풍속할증 영향을 반영하여야 한다. 건축구조기준에서는 지형에 의한 풍속 할증 영향을 반영하기 위해 지형계수를 제시하고 이를 반영하도록 하고 있다. 식 (2)는 건축구조기준에서 제시하고 있는 지형계수 산정식을 나타낸다.
여기서, Kzt는 형상계수로 언덕의 형상에 의한 할증 효과를 반영하는 계수이며, s는 점점으로부터 대상지점까지의 수평거리, ø'은 ø또는 0.3 중 작은 값, Iz는 높이 에서의 난류강도, 는 바람이 불어오는 방향의 평균경사 즉, 풍상측의 평균 경사를 의미한다. 지형할증효과를 평가하기 위해서는 기본적 으로 고도정보가 필요하며, 고도가 높고 풍상측의 경사가 급할수록, 정점과의 거리가 가까울수록 할증효과가 커진다. 또한 주변에 언덕 및 경사지가 존재할지라고 언덕 내 위치하지 않거나, 정점과의 거리가 충분히 멀다면 지형에 의한 할증 효과는 나타나지 않는다.
Table 8
Basic wind speed and regional topographical factor
하지만 현실적으로 옥외광고물을 시공하려는 지역의 경사 및 언덕의 형상을 평가하고 반영 하기에는 무리가 있다. 따라서 본 연구에서는 수치고도모형 (digital elevation model, DEM)을 활용하여, 전국의 지형계수를 평가하고, 각 기본풍속으로 명시하고 있는 지역의 지형계수를 제시함으로써 옥외광고물 설계 시 지형의 효과를 용이하게 반영하도록 한다. 본 연구에서 사용된 DEM은 수치지도의 등고선 데이터를 활용하여 구축한 것으로 격자 단위 30m 해상도를 갖고 있다. Fig. 4는 DEM의 각 격자별 고도정보를 이용하여, 8풍향에 대한 지형계수의 각 파라메터를 산정하고 이를 통해 각 격자별 지형계수를 산정하여 각 격자에 해당하는 8풍향 지형계수 중 최댓값을 나타낸다.
그러나 본 연구에서 제시하는 표준안은 일반 옥외광고 업계의 비전문가가 활용할 수 있어야 함을 고려할 때, 이상과 같은 분석 절차는 실용적이지 못하다. 이를 위해 각 위치에 해당하는 지형계수의 평균을 통해 설계풍속 산정을 위한 지역별 평균 지형계수를 제시하였다. 이의 최댓값은 1.19로 나타났으며, 실제 시가화지역의 최대지형계수는 1.26으로 지역별 평균값의 최댓값을 초과하지만, 1.19를 초과하는 지역은 전체 시가화지역의 약 1.7%만을 차지하며, 전체 시가화 지역의 최대지형계수의 평균은 1.04으로, 지역별 평균값은 안전측 관점에서 합리적인 것으로 판단된다. Fig. 5는 각 지역별 평균 지형계수를 나타낸다.
KBC(2015)(안)에서 기본풍속을 제시하고 있는 지역은 총 161지역이며, 이중 예시로써 일부지역에 대해 기본풍속과 지형계수를 종합하면 Table 8과 같다.
4. 옥외광고물 유형별 풍하중 산정표준안
4.1 설계속도압 산정
2.1절을 통해 기본풍속(V0), 지표조도에 따른 풍속고도 분포계수(Kzr), 지형계수(Kzt), 중요도계수(Iw)를 결정하게 되며, 식 (1)을 통해 설계풍속(VH)을 산정한다. 산정된 설계 풍속을 이용하여 풍하중 산정을 위한 고도별 설계속도압을 산정하여야 하며 식 (3)에 보는 바와 같다.
산정된 설계속도압을 이용하여, 최종적으로 옥외광고물의 단위면적당 풍하중을 산정하고 하중계수와 옥외광고물의 면적을 통해 옥외광고물의 유형별 풍하중을 산정한다.
4.2 가로형 및 세로형 옥외광고물 설계 표준안
건축구조기준 2015(안)에서는 세로형 및 가로형 간판 (부착간판)에 외장재 설계용 풍하중 절차를 따르도록 하고 있으며, 외장재 설계용 풍하중 산정식은 정압과 부압이 작용 하는 경우에 대하여 각각 식 (4)에 보는 바와 같다.
여기서, kz는 높이방향압력분포계수이며 1.0을 사용하도록 하고 있다. 또한 GCpi는 외장재설계내압계수로 0을 사용하며 GCpe는 외장재설계용 피크외압계수이다. 이를 정리하면 식 (5)와 같다.
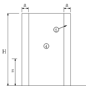
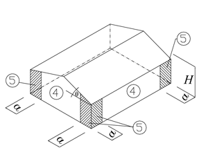
유효수압면적은 옥외광고물의 압력을 주골조에 전달하는 단위 2차 부재의 유효수압면적을 나타내며, 최대 정압 및 최대 부압으로 설계하도록 하고 있다. 예를 들어 옥외광고물의 가로와 세로가 각각 1m이고 바람이 옥외광고물면의 수직으로 작용한다고 할 때 유효수압면적은 1m2가 되고 이때의 20m 이상에 설치된 옥외광고물의 피크내압계수는 부압일 경우 -3.75, 정압일 경우는 1.65를 사용하며, 두 경우 모두 풍하중을 산정하여, 절댓값이 큰 값을 사용한다. 따라서 20m 이상의 건축물에 옥외광고물이 7층 이상(층당 3.5m 기준)에 설치될 경우 그림을 통해 피크내압계수를 결정한다. 20m미만 옥외광고물은 Fig. 6에서 보는바와 같이 건축물의 모서리 부분에 설치될 경우와 그 외의 a부분에 설치될 경우의 값이 다르다. a는 건축물 최소폭의 0.1배 또는 0.4H 중 작은 값으로 최소폭의 0.04배 또는 1m보다 커야하며, H는 지붕면의 평균높이를 의미한다. 또한 지붕의 평균 경사가 θ≤10°이면 벽면의 GCpe값을 10% 줄일 수 있도록 제시 하였다. 이하 풍하중 산정 방법은 20m 이하 옥외광고물도 20m이상의 옥외광고물과 산정 방법은 동일하다.
이때 피크내압계수가 0이기 때문에 피크외압계수의 절댓값이 최대가 될 때 풍하중이 최대가 된다. 따라서 Fig. 6을 표로 정리하게 되면 Table 9와 같다.
Table 9
Proposed peak external pressure coefficient on wall
4.3 지주형 및 돌출형 옥외광고물 설계표준안
KBC(2015)(안)에서는 지주형 및 돌출형 옥외광고물의 경우 밀폐형 독립간판의 풍하중 산정방법을 통해 풍하중을 산정하도록 하고 있으며 산정식은 식 (6)과 같다.
여기서, GD는 가스트영향계수 CD는 풍력계수를 나타내며, 가스트영향계수는 식 (7)을 통해 산정한다.
Table 10
Wind force coefficient for various side ratios and gap ratios
이때 γD는 풍속변동계수, BD는 비공진계수를 나타낸다. 풍력변동계수를 산정하기 위해서는 난류강도와 대상 구조물의 높이, 폭, 풍속고도분포지수를 반영해야 하며, 건축물의 비공진 계수 산정시, 난류스케일을 반영하여야 한다. 이처럼 가스트 영향계수 또한 비전문가적인 관점에서 산정하기에 쉽지 않다. 본 연구에서 제시하고자 하는 단위면적당 풍하중의 최소 단위로 가로 및 세로길이가 1m일 경우 고도에 따른 가스트 영향계수는 Fig. 7과 같이 나타난다. 본 연구에서는 지표면 조도등급을 해안으로부터 4km를 기준으로 2단계로 제시하였기 때문에 가스트영향계수는 Fig. 7과 같이 나타내었다.
KBC(2015)(안)에서는 옥외광고물의 변장비와 틈새비에 따라 풍력계수를 제시하고 있다. 변장비는 간판의 수평 길이와 수직 길이의 비를 나타내며, 틈새비는 간판의 수직 길이와 간판의 설치높이의 비를 나타낸다. 또한 틈새비 또는 변장비가 세시되어 있는 값 사이 값을 갖는 경우 선형보간을 통해 사용하도록 제시되어 있다. 본 연구에서는 옥외광고 설계에 보다 용이하게 적용할 수 있도록 틈새비를 0.1 간격으로, 제시되어 있지 않은 값에 대해 선형보간을 통해 명시하여 제시한다. 또한 서울특별시 옥외광고물 등 관리조례에 의하면 돌출간판의 경우 벽면과 간판의 최대폭은 1m 이내로 하고 있으며, 지주형 간판의 경우 한 면의 면적이 3m2 이내여야 한다. 또한 도로의 구조·시설 기준에 관한 규칙에 의하면 보도의 유효 폭은 최소 2m로 서울특별시 옥외광고물 등 관리조례 제 9조에서 규정하고 있는 보행인 및 차향통행에 방해가 되지 않아야하는 기준을 충족하지 못하기 때문에 현실적으로 변장비가 2를 초과하기가 어렵다고 판단되어, 변장비는 2까지 제시하였다(Table 10).
5. 풍하중의 분포를 통한 표준안 검증
서론에 언급한 듯이 옥외광고물의 피해가 발생하였거나 현재 설치되어 있는 옥외광고물의 구조검토 데이터를 확보 하기가 현실적으로 어려운 실정이다. 따라서 본 연구에서 제시하고 있는 표준안의 풍하중과 KBC(2015)(안)에 의해 산정되는 풍하중을 비교함으로써 본 연구의 표준안을 검증 하고자 한다.
대상 지역은 서론에서 언급한 바와 같이 2012년 태풍 볼라벤에 의해 다수의 옥외광고물 피해가 발생한 바 있는 인천광역시 전역에 대한 분석으로서, KBC(2015)(안)에 의해 지상 10m에 위치한 옥외광고물의 경우 각 위치의 지표조도와 지형의 영향으로 단위 면적당 풍하중은 Fig. 8에 보인 확률 밀도함수(PDF) 또는 누적밀도함수(CDF)의 분포를 나타 낸다.
한편 본 연구에서 제시한 표준안에 의한 단위면적당 풍하중은 90.47kgf/m2로 인천광역시 전역의 풍하중의 누적분포의 약 상위 82% 수준에 해당함을 알 수 있다. 이는 본 연구에서 제시한 옥외광고물 설계를 위한 표준안이 적합함을 보여준다.
6. 결 론
최근 옥외광고물로 인한 불특정 다수의 피해가 보고되고 있으며, 공공 시설물의 성격을 갖는 옥외광고물로 인한 피해를 저감하기 위한 국민적 요구가 증가하는 추세이다. 따라서 옥외광고물의 체계적 안전관리를 실현하기 위해 필수적인 요소인 내풍설계 표준안에 대한 연구를 수행하였다. 본 연구를 통해 제시된 내풍설계 표준안은 구조와 관련한 비전문가들도 용이하게 적용할 수 있는 표준안을 목적으로 하고 있으며, 표준안에는 풍속에 영향을 주는 설치위치 기준 주변 지표 조도구분, 지형의 영향, 설치 높이, 건물에서의 설치위치, 지역별 풍속을 반영하였다. 공학적 판단이 요구되는 지표조도구분 및 지형계수의 산정에 대해 요약적, 정량적으로 제시하였으며, KBC(2015)(안)에서 제공하는 지역별 기본풍속과 더불어 각 지역별 지형계수를 명시하였다. 또한 표와 그래프 및 산정식의 형태로 제공되는 각 계수에 대해 명시적으로 제시하였다. 이를 통해 옥외광고물 내풍설계에 대해 전문적지식이 없이도 적용 가능한 표준안을 수립하였다.
또한 본 연구에서 제시하고 있는 표준안을 검증하기 위해 본 연구에서 제시하고 있는 지형계수의 분포와 건축구조기준을 통해 산정한 지형계수의 최댓값과 최솟값을 비교하였으며, 본 표준안을 통해 인천지역의 풍하중을 산정하고 인천 전역의 풍하중 분포를 통해 본 표준안의 적합함을 보였다.
본 연구에서 수립된 표준안의 경우 중소규모의 영세 사업장을 통해 생산되고 있는 불법광고물을 대상으로 하고 있으며, 이러한 표준안을 통해 궁극적으로 불법광고물을 차단 하고 피해를 저감하는 효과가 있을 것으로 기대된다.
또한 풍하중 산정 시 지표조도구분은 공학적 판단이 요구됨에 따라 본 표준안에서는 지표조도구분 C와 D의 2단계로 구분하였으나, 추후 비전문가 관점에서도 조도구분에 따른 풍속고도분포계수를 세분화하여 적용할 수 있는 연구를 통해 보다 합리적으로 풍하중을 산정할 수 있도록 보완되어야 한다.














