1. 서 론
인장력에 취약한 콘크리트의 재료적 특성을 보완하기 위하여 콘크리트에 강연선 등 고강도의 강재를 이용하여 압축력을 가한 프리스트레스트 콘크리트(pre-stressed concrete, PSC) 공법이 사용되고 있다. PSC 공법 중 비부착식 포스트텐션 공법은 긴장재 덕트 내부에 그라우팅(grouting)을 할 필요가 없어 시공과정이 비교적 간단하고, 긴장재의 재긴장이 가능 하다는 장점을 가지고 있다. 그러나 포스트텐션 정착구의 경우 해외제품에 대한 의존도가 매우 높아 공사비에 비경제적인 요소로 작용하고 있다.
포스트텐션 공법에서 긴장재에 도입된 긴장력은 포스트텐션 정착구를 통하여 부재에 전달되는데, 집중하중으로 인해 정착 구 주변에서는 파열응력, 지압응력, 할렬응력이 작용하게 되어 Fig. 1과 같이 복잡한 응력분산 형태를 보인다. 기존 연구를 통해 정착부에서 발생하는 파괴의 주 원인은 파열력으로 규명 되었음에도 불구하고 이를 보완할 수 있는 정착구 개발에 관한 연구는 미비한 실정이다.
Cho 등(2015)은 직사각형 형태의 단일 강연선용 정착구 형상을 제안하고 그 성능을 평가하고자 구조시험을 수행하였다. 토목 분야에서는 Choi 등(2016)은 정착판의 단면 저감효과 및 모서리 응력 집중 개선효과가 있는 원형 다중 강연선 정착 구의 설계에 관한 연구를 수행하였으며, Kwon 등(2015)에 의해 유한요소해석과 실험의 결과 비교를 통한 정착구의 형상 변수에 따른 정착구역의 거동 특성에 관한 연구가 수행되었다. Kim 등(2013)이 초고성능 콘크리트(UHPC, ultra high performance concrete) 정착구역에 대하여 역학적 거동을 유한요소해석을 통해 분석하였다. 그러나 건축용 정착구에 대한 기존 연구는 응력해석의 범위를 정착구에만 국한하여 수행 되었다. 또한, 토목용 정착구는 단일 강연선이 아닌 다중 강연 선을 대상으로 하고 콘크리트 내부로 매립되는 부분(리브)이 존재하지만 건축용 정착구는 단일 강연선을 대상으로 하며 매립 부분이 크지 않은데 이러한 특성을 고려한 정착구역에서의 응력 분포에 대한 연구는 아직까지 미비한 실정이다.
따라서 본 연구에서는 효율적인 응력분산을 통해 정착구역의 파열응력을 감소시킬 수 있는 비부착식 단일 강연선용 원형 정착구의 형상을 제안하는 것을 목표로 하였다. 이를 위해 유한 요소해석을 통해 정착구 형상을 도출하였으며 정착구 주변의 파열력 해석을 통해 그 성능을 검증하고자 하였다.
2. 정착구 형상개발을 위한 유한요소해석
2.1. 유한요소해석 개요
일반적인 단일 강연선용 정착구는 직사각형 정착판과 원통형 쐐기정착부로 구성되어 있으며 두 부분은 거셋으로 연결되어 있다. 그러나 이러한 형상은 쐐기로부터 전달된 강연선의 긴장 력을 정착판으로 원활히 분배시키기 못하고 Fig. 2와 같이 정착판의 특정 지점에 응력이 집중되는 현상이 발생한다. 따라서 본 연구에서는 효과적인 응력 분산이 가능한 Fig. 3과 같은 형태의 정착구 상세를 제안하였으며 제안한 상세를 적용한 정착구역에서 발생하는 응력분포를 평가하기 위하여 범용 해석프로그램인 ANSYS 15.0을 사용하였다.
본 연구에서는 정착구역에서 발생하는 파열응력의 효과적인 분산이 가능한 정착구 개발을 목표로 하므로 상용되고 있는 기존 정착구들의 평균 정착판 넓이와 등가의 정착판 넓이(약 9500mm², 반경 55mm)를 갖도록 하여 지압응력의 영향을 배제하였다. 정착구 상세 도출을 위해 ① 쐐기고정부에 대한 정착판의 위치, ② 쐐기고정부의 두께, ③ 쐐기고정부와 정착 판의 접합부 형태(곡률), ④ 정착판의 두께를 해석변수로 고려 하였으며 각 변수에 해당 하는 부분을 Fig. 4에 나타내었다.
KCI-PS101에서는 정착구가 95% 이상의 정착효율을 확보 하도록, 측정한 최대하중이 실제 공칭극한하중의 95%이상이 되어야 한다고 규정하고 있다. 이를 반영하여 해석에 사용된 하중의 크기는 포스트텐션공법에서 주로 사용되는 강연선 SWPC 7B(직경 15.2mm)의 공칭극한하중 258kN으로 가정 하였으며 가력방식은 쐐기를 통해 전달된 하중이 쐐기 고정부의 접촉면(면적 : 2666mm²)에 응력(80MPa)으로 작용하는 방식을 사용하였다. Taha 등(2003)의 연구에서는 쐐기의 각도와 쐐기, 정착구 간의 마찰 계수를 고려한 강연선의 긴장력이 쐐기를 통해 정착구로 전달되는 힘의 크기를 아래 식 (1)과 같이 제안하였 는데, 본 연구에서도 이를 적용하여 쐐기 접촉부에 작용하는 응력의 크기를 산정하였다.
여기서, RWB 는 쐐기를 통해 정착구에 전달되는 힘, P 는 강연 선의 긴장력, μ는 쐐기와 정착구 간의 마찰계수, θ2는 쐐기의 각을 뜻한다.
단, 쐐기고정부의 두께에 대해서는 위의 가력방식으로는 두께에 따른 유의미한 결과변화를 확인할 수 없다고 판단되어 Fig. 5와 같이 KCI-PS101에서 제시하고 있는 하중전달시험 방법과 동일하게 정착구의 상부 면에 하중이 작용하는 방식으로 해석을 수행하였다. 쐐기고정부와 정착판의 접합부 형태에 대해서도 하중전달을 고려하여 접합부에 응력집중현상이 발생 할 것으로 판단되어 정착구의 상부 면에 하중을 작용시켰다. 또한 Fig. 6과 같이 정착구의 전체 하부면에 대하여 고정 조건을 설정하였으며, 해석에 사용된 재료의 물성은 Table 1과 같다.
2.2. 변수해석 결과
각 변수를 고려한 유한요소해석을 통해 정착구 내에서 최소의 Von-Mises stress를 발생시키는 상세의 치수를 조합하여 최종 상세를 도출하는 방식으로 진행하였다. 각 변수별로 정착구 에서 발생하는 최대 응력(von-mises stress)과 발생위치는 아래 Table 2에 정리하였다.
Table 2
Max. Von-Mises stress of anchorage by each variable
쐐기고정부에 대한 정착판의 위치에 대한 변수해석 결과를 살펴보면, 정착판이 쐐기고정부 하단에 위치할수록 최대응력이 가장 작게 측정되었으나. 일반적으로 강연선의 긴장력에 의한 쐐기의 슬립 현상이 약 2~3mm 발생한다고 알려져 있으므로 여유 길이 5mm를 확보하였다. 쐐기고정부 두께를 변수로 한 해석결과, 쐐기 고정부의 두께가 두꺼울수록 최대응력이 작게 발생하며 두께 9mm부터 최대응력의 감소율이 상대적으로 감소 하여 추후 제작의 편의를 위해 10mm로 결정하였다. 기존의 직사각형 정착구에서는 응력분산을 위해 쐐기 고정부와 정착 판 접합부에 거셋이 존재하는데 본 연구에서 개발된 정착구는 원형이므로 어느 방향으로든 균일한 응력분산이 이루어지므로 거셋은 필요하지 않으나 해석결과, 정착판의 접합부에서 Fig. 7과 같이 응력집중현상이 발생하는 것을 확인하였다. 따라서 쐐기고정부와 정착판의 접합부 형태(곡률)의 경우 접합부를 곡선처리하여 응력집중 현상을 완화하였다. 그 결과, 그 곡률이 클수록 최대응력이 감소하였고, 최대응력 발생위치 또한 접합 부에서 상단으로 이동하였다. 따라서 반경 55mm의 정착판이 가질 수 있는 최대 곡률 29mm로 결정하였다. 정착판의 두께를 변수로 한 해석결과, 정착판의 두께 치수에 따른 응력 발생에는 유의미한 차이가 나타나지 않아 기존의 정착구 수준인 6mm로 결정하였다.
변수 별로 가장 작은 최대응력을 갖게 하는 치수를 종합하여 정착구 각 부분의 치수를 결정하였으며, 이에 대한 유한요소 해석을 수행한 응력분포는 Fig. 8, Fig. 9와 같다. 쐐기고정 부에 응력으로 하중을 가하는 경우, 쐐기고정부의 상단 내부 면에 176MPa로 가장 큰 응력이 발생하였으며, KCI-PS101의 하중전달시험방식으로 하중을 가하는 경우 쐐기 고정부의 상단 외부 면에 응력 203MPa이 발생하였다.
3. 정착구역의 응력해석
정착구역에 요구되는 적절한 철근 보강량을 산정하기 위하 여 파열응력 및 파열력에 대한 해석을 필요로 하는데, 이 장에 서는 기존의 정착구역 내 파열력 산정 방법에 대하여 고찰하고 자 하였다. 또한, 유한요소해석을 통해 제안된 원형 정착판을 적용한 정착구역의 파열력을 기존 파열력 산정식을 통해 검토 하였다.
3.1. 해석 모델
해석 모델에 사용된 재료의 특성은 Table 3과 같으며 콘크 리트 모델 내에서의 파열력을 측정하기 위하여 긴장재가 지나 가는 hole의 내경에 위치하는 부재 길이 방향의 path를 따라 부재 길이 방향과 직교하는 방향의 응력을 측정하였다. 해석에 사용되는 적정 콘크리트 모델의 크기를 산정하기 위하여 콘크 리트 크기에 따른 청착구역 내 최대파열응력을 비교하였다. Fig. 10에서 나타난 바와 같이 부재의 크기가 증가할수록 정 착구역 내 최대파열응력의 크기는 감소하는 것을 확인하였다. 그리고 일반적으로 건설현장에서 사용되는 PT 슬래브 두께가 약 200mm이고 국내에 최초로 고층 건물에 포스트텐션 시스 템이 적용된 경우, 슬래브의 두께가 250mm인 점을 고려하여 본 연구에서 해석 모델로 사용할 콘크리트 부재의 크기는 250mm×250mm(정착구 직경의 약 2배)으로 산정하였으며, 높이는 KCI-PS101의 하중전달시험의 시험체 규격을 따라 부 재단면 크기의 2배인 500mm로 산정하였다. 콘크리트와 정착 구의 접촉면은 고정 조건으로 두었으며, 가력방식은 KCIPS101의 하중전달시험과 동일하게 정착구의 상단에 강연선 SWPC 7B의 공칭극한하중 258kN이 작용하는 것으로 설정 하였다. 강연선의 피복두께를 고려한 치수만큼의 hole을 콘크 리트 모델에 형성하였다. 해석 모델의 단면을 Fig. 11에 나타 내었다.
3.2. 정착구역 내 파열응력 분석
정착구역의 응력해석 결과, 기존 연구들로부터 알려진 것과 마찬가지로 정착구와 콘크리트의 접촉부는 압축응력이 작용 하고 콘크리트 하부면 방향으로 갈수록 인장응력 즉, 파열응력이 콘크리트 단면의 크기(본 해석 모델에서는 250mm)에 해당하는 깊이까지 분포하고 있음을 확인하였다. 부재의 단면에 수평방향 으로 작용하는 응력인 파열응력의 분포를 Fig. 12에 나타냈 으며, 콘크리트 중심으로부터의 path까지의 거리에 따른 파열 응력의 분포는 Fig. 13과 같이 나타난다.
파열응력 분포는 콘크리트의 중심에서 외측면으로 갈수록 10mm, 40mm, 70mm 순으로 최대파열응력이 감소하나, 외측 표면(125mm 지점)의 path에서의 최대 파열응력 다시 증가 하는 것으로 나타났다. 최대 파열응력은 콘크리트 중심으로부터 10mm 떨어진 즉, 강연선을 고려한 hole에 가장 인접한 path를 따라 발생한다. 이때, 최대 파열응력은 3.144MPa이며 그 발생 위치는 콘크리트 표면으로부터 57mm 떨어진 곳에서 발생 하였다.
기존의 정착구의 응력분산 능력과 비교하기 위하여 동일조 건에서 일반적인 형태의 직사각형 정착구(정착판 크기 : 145 mm × 75mm)를 적용한 모델의 정착구역 내 파열응력을 Fig. 14와 같이 비교 하였다. fb는 정착구와 콘크리트의 접촉면에서 반대편 콘크리트 단부까지의 거리에 따른 파열응력이며, fo는 하중이 콘크리트 단면 전체에 균등하게 가력되었을 때의 압축 응력이다. h는 파열응력 측정위치이며, d는 콘크리트 단면 크 기이다.
비교결과, 직사각형의 최대파열응력은 6.661MPa로, 정착 구로부터 46mm 떨어진 위치에서 나타났다. 일반 직사각형 정착구를 사용했을 경우, 파열응력은 0.5d 지점에서 0에 가깝게 수렴한다. 하지만, 본 연구에서 개발된 정착구를 사용 했을 경우에는 1.0d지점에서 0으로 수렴하게 되는데, 이는 파열 응력이 특정지점에 집중되지 않고 완만하게 분산되고 있음을 알 수 있다. 정착구역의 최대파열응력은 본 연구에서 개발된 정착구를 사용했을 때, 일반 직사각형 정착구를 사용한 경우 보다 32% 감소하는 것을 확인하였다.
3.3. 정착구역 내 파열력 비교
현재 국내·외의 포스트텐션 정착구역 설계 기준에서는 Mörsch (1924)와 Guyon(1953)의 프리스트레스트 콘크리트 정착구 역의 하중경로에 대한 연구를 기반으로 파열력 산정식을 제시 하고 있다. 대표적으로 AASHTO에서는 아래 식 (2)과 같은 파열력 산정식을 제시한다.
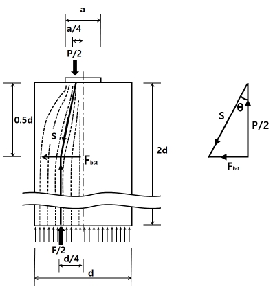
여기서, Fbst는 파열력, P 는 도입된 긴장력, a는 정착판 한변의 길이, d는 콘크리트 단면의 크기를 나타낸다.
위 식 (2)는 아래 식 (3)을 통해 유도된다. Fig. 15와 같이 강연선에 의한 프리스트레싱력과 콘크리트 하부면의 반력이 각각 정착판의 1/2, 하부면의 1/2의 도심에서 작용한다. 콘크 리트 단면 크기 d에 대한 단면으로부터 최대 파열 응력이 발생 하는 위치까지의 거리의 비가 k이고, k=0.5로 하여 콘크리트 하부면 반력과 긴장력이 이루는 각을 이용하여 파열력을 계산 한다.
본 연구의 정착판의 형태는 직사각형이 아닌 원형이므로, 프리스트레싱력은 반원의 도심인 에 작용하므로 tanθ 는 아래 식 (4)와 같이 계산된다(Choi et al., 2016).
파열력을 계산하는 다른 방법으로는 Stone(1981)이 제안한 거리에 따른 파열응력 그래프에서 파열응력이 0으로 수렴하는 지점까지의 거리 즉, 콘크리트 단면의 크기만큼의 거리까지의 면적을 이용하여 파열력을 계산하는 방법이 있다. 그래프의 면적을 구분구적법 등을 이용하여 계산하고, 콘크리트의 폭을 곱하여 파열력을 계산한다.
본 연구의 해석결과에 따르면 정착구의 반지름(45mm, 55mm, 65mm)에 따라 파열응력의 분포는 Fig. 16과 같다. 최대 파열응력은 각각 0.27d, 0.23d, 0.19d 의 위치에서 발 생하였으며, 그 크기는 각각 2.95MPa, 3.14MPa, 3.63MPa 으로 나타났다. AASHTO에서 제시하는 파열력 산정식과, Choi(2016) 등에 의해 수정된 Mörsch의 파열력 산정식, Stone의 방법을 이용하여 정착판의 반지름에 따른 파열력을 계산하였고 그 결과는 Table 4와 같다. AASHTO의 산정식은 k=0.5를 사용하며 수정된 Mörsch의 산정식에서는 해석결과 에서 얻는 각각의 k를 사용하여 파열력을 계산한다. 3가지 방법을 통해 계산된 파열력을 비교하였을 때, 수정된 Mörsch의 산정식을 사용한 결과와 Stone의 방법을 사용한 결과가 유사한 경향을 보이며, AASHTO의 산정식을 사용한 결과는 다른 두 방법의 결과와 다소 큰 차이를 보인다. 이는 AASHTO의 산정 식이 정착구 별로 각기 다른 최대파열 응력 발생 위치를 고려 하지 못하기 때문으로 판단되며 본 연구에서 개발된 정착구를 사용하여 정착구역을 설계할 때, 비교적 간단한 수정된 Mörsch 의 식을 이용하여 정착구역의 보강철근량을 산정할 수 있을 것으로 판단된다.
4. 결 론
본 연구에서는 포스트텐션된 콘크리트 부재의 정착구역에서의 효율적인 응력분산이 가능한 비부착식 단일 강연선용 포스트 텐션 정착구 개발을 위하여 유한요소해석을 수행하였다. 또한 기존의 파열력 산정식의 비교 및 평가를 통해 본 연구에서 개발한 정착구의 적용성을 평가하고자 하였다.
1) 유한요소해석을 통해 쐐기 고정부의 두께는 10mm, 정착 판의 두께는 6mm, 응력집중 현상 방지를 위한 29mm 곡률을 가지는 쐐기고정부와 정착판의 접합부 형상을 도출하였다. 쐐기고정부의 두께가 증가할수록 정착구 내부에서의 응력분산에 효과적이었으나 경제성을 고려 하여 10mm로 결정하였다.
2) 쐐기고정부에 대한 정착판의 위치, 쐐기고정부와 정착판의 접합부 형태, 정착판 두께 등을 변수로 해석을 수행하여 기존 정착구와 본 연구에서 개발한 정착구의 최대파열 응력을 비교하였다. 그 결과 기존의 직사각형 정착구의 최대파열응력 대비 본 연구의 정착구에서 최대파열응력이 32% 감소하였다.
3) 기존 연구와 달리 정착구에서 가까운 위치인 0.19d~ 0.27d에서 최대 파열응력이 발생하는 것으로 나타났다. 이는 기존 연구는 토목용 정착구를 대상으로 수행된 것 으로, 토목용 정착구의 경우 콘크리트 내부에 일정 깊이 까지 매립되는 형태로 콘크리트와 맞닿는 리브의 면적 또는 매립되는 정착구 깊이에 따른 영향인 것으로 판단 된다.
4) 본 연구에서 제안한 정착구 형상을 적용하여 AASHTO 에서 제안하고 있는 파열력 산정식 및 기존 연구자들의 파열력 산정식의 결과를 비교하였다. 그 결과, Mörsch 식과 Stone의 식을 통해 얻은 파열력은 유사하게 나타 났으나 AASHTO의 파열력 산정식은 가장 작은 파열력을 나타냈다. 이는 정착구의 형상에 대한 영향을 고려하지 않고 동일한 위치계수를 사용했기 때문인 것으로 판단 된다. 또한, 본 연구에서 제안한 정착구 형상을 적용하여 콘크리트 부재를 설계할 경우, 수정된 Mörsch식을 사용 하여 정착구역의 보강 설계를 수행할 수 있을 것으로 판단 된다.
5) 본 연구의 해석으로부터 얻은 최대파열응력 발생위치를 이용하여 정착판의 반지름에 따른 파열력을 산정하였으며 정착판이 작을수록 파열력이 근소하게 감소하였다. 그러나 정착판의 반지름이 작을 경우, 정착구역의 지압응력이 증가하여 허용지압응력을 초과할 수 있으므로 정착판의 크기를 감소에 따른 정착구역의 지압응력에 관한 추가 연구가 필요하다고 사료된다.


















