1. 서 론
건물에 대한 구조 안전성평가 및 보수보강에 관련한 기준은 크게 두 가지 목적을 가지고 있다. 첫째는 설계 과정에서 투명성을 확보하는 것이고, 두 번째는 설계과정에서 구조 기술자의 경험과 지식에 기반한 공학적 판단을 활용할 수 있는 과학적 근거를 마련하는 것이다. 이 두 가지 목적을 효율적 으로 달성할 수 있는 방법은 설계과정에서의 만나게 되는 다양한 변수와 계수에 보수보강을 담당한 구조기술자의 경험과 지식을 바탕으로 평균값과 변동계수(COV; coefficient of variation) 값을 부가하는 것이다. 구조 안전성평가 및 보수보강의 기준 개발은 새로운 구조물에 적용되는 설계기준에 비해 훨씬 까다 롭다. 특히 안전성평가 및 보수보강이 필요한 건물은 대부분의 오래된 경우가 많기 때문에 설계 승인된 구조설계 도면이나 실제 지어진 구조설계 도면이 종종 존재하지 않는다. 현장 에서의 안전성평가를 위해 비파괴검사 또는 파괴검사를 아무리 광범위하게 진행한다고 하더라도 기존 구조물의 품질수준은 일괄적으로 정의할 수 없다. 예를 들어 기존 콘크리트 구조물에 대한 검사에서 모든 철근 사이즈와 설치 형상, 콘크리트 타설 품질 수준은 모든 부위에 대해 정확하게 확인하기가 곤란하다. 또한 구조 부재에 대한 각종 테스트 데이터는 대부분 구조 성능저하(structural degradation)를 나타내기 위해 필수 요소인 반복하중(cyclic loading)에 의한 실험값이 아니다. 이러한 여러 이유들로 인하여 기존 구조물에 대한 구조 안전성 평가와 보수보강은 고려되어야 하는 요소들이 많을 수 밖에 없다.
1950년대 후반 구조신뢰성(structural reliability)이 소개되기 전까지는 설계에서 공학적 판단을 양적으로 표현할 어떠한 과학적 방법도 존재하지 않았다. 그러나 구조신뢰성 이론 분야의 발전을 통하여 전문가의 공학적 판단을 실제 구조물의 안전성평가에 적용할 수 있게 되었다. 가장 대표적인 방법이 설계강도(strength)와 작용하중(load)에 의한 발생 응력 간 특정 여유치를 두거나 설계강도를 고려할 때 강도저감 계수(strength reduction factor)적용하거나 적용하중에 일정 계수를 미리 곱하는 것 등이다. 여기서 강도와 하중 간의 비(ratio)가 안전율(safety factor)이다. 강도설계법에서 소요강도는 여러 가지 하중조합을 고려하는데 그 중에 하나가 고정하중의 1.4배와 활하중의 1.7배(1.2D+1.6L)인 것이 그 예이다.
여기서 문제점은 이러한 계수 및 안전율을 적용하는 과정 에서 투명성이 보장되어 있지 않아 구조기술자는 맹목적으로 관련 이론을 적용하고 있으며 개별 프로젝트를 맡은 담당 구조기술자의 높은 수준의 경험과 지식을 보다 나은 결과물을 위해 계수와 안전율에 반영할 수단이 없다는 것이었다.
따라서 본 연구에서는 구조물의 안전성평가 과정에 존재하는 여러 가지 불확실성을 수학적으로 표현하는 방법으로 베이스 경신법(bayesian updating)을 적용하고, 이를 실례를 통하여 비교, 분석함으로써 불확실성이 존재하는 기존 구조물의 한계상태의 저항능력과 요구량의 변동계수를 예측하는 방법을 제시하였다.
2. 베이스 경신법(bayesian updating)
2.1 불확실성의 수학적 표현
기존 구조물에 대한 구조 안전성평가 및 이에 근거한 보수 보강을 위해서는 초기 설계단계에서 구조기술자가 판단하기에 중요하다고 생각되는 모든 한계상태(LS; limit states)를 설정하게 된다. 이 초기설계 단계에서의 결과물이 사업주와 함께 보수보강에 소요되는 비용 견적을 결정하는데 사용된다. 여기서 고려되는 요소에는 건물의 설계자, 시공자, 현장 답사를 통한 정보, 지진 및 풍속 데이터 등이 포함된다. 초기설계 단계 에서 한계상태 설정과 함께 구조기술자는 설정된 한계상태의 저항능력(capacity)및 요구량(demand)과 연관된 안전율과 변동계수(COV)를 결정하게 된다. 구조시스템과 구조부재를 평가하기 위해 시스템과 구조부재의 응답 및 성능을 수학적인 방법으로 표현한다. 구조기술자는 최적의 구조시스템을 선정 하기 전에 다양한 대안들을 평가하고 다른 구조기술자가 개발한 구조시스템도 평가한다. 이러한 과정을 동료평가(peer review) 라고 할 수 있다. 다음 단계로 구조기술자는 기존 건물의 보수보강이 필요한지 평가한다. 만약 건물이 특정한 성능 목표치를 달성하기 위해 보수보강이 필요하다고 판단된다면 이후 다양한 보수보강 대안에 대해서 효율성을 평가하게 된다.
여기서 기존 구조물의 구조 안전성평가를 위해서는 우선 무엇이 평가될 것인지에 대한 결정이 있어야 한다. 구조신뢰성 이론이 이 평가의 과학적 근거를 제공하게 되며 구조기술자는 한계상태를 구조시스템과 구조부재가 선정된 하중에 최소한 으로 응답해야 되는 수준을 결정하는데 사용한다.
여기에는 두 가지 기본 한계상태가 있다. 이것은 구조시스템 한계상태와 구조부재단면 한계상태이다. 구조시스템 한계상태는 명시된 피해수준–사용성(serviceability), 인명안전(life safety), 붕괴방지(collapse prevention)-에서 발생하는 최대 지붕 변위, 최대 층간 변위와 같은 구조물의 응답크기로 표현 된다. 붕괴방지한계상태는 극한(ultimate) 또는 강도한계 상태(strength limit state)라고 표현되기도 한다. 한편 구조부재단면의 한계상태에는 축력, 전단, 휨 한계상태가 있다.
2.2 베이스 경신법의 기본 이론
구조물의 구조 안전성평가를 위한 베이스 경신법의 접근 에는 구조기술자의 공학적 판단이 필요하다. 베이스경신법의 방법론적 접근은 현장 및 실험실에서의 실험 데이터가 없거나 또는 부족할 경우 구조기술자의 경험과 지식을 설계 과정에서 활용하는 과학적인 근거를 제공한다. 베이스 경신법의 시작점은 구조해석의 변수와 계수에 대해 구조기술자가 가장 적당 하다고 판단하는 값을 결정하는 것이며 이 값이 평균값이 된다. 여기에 구조기술자는 결정한 변수 및 계수의 평균값에 대한 확신 정도를 평가하여 변동계수로 결정한다. 구조해석에 필요한 변수 및 계수는 현장 또는 실험실에서의 테스트 샘플수를 고려하여 최초 추정평균값과 변동계수를 적용하여 경신하여 보정한다. 두 가지 다른 정보가 서로 합해지는 과정에 최초 평균값에 대한 확신 정도, 테스트 데이터의 수와 질, 해석 모델의 정확도는 중요한 역할을 하게 된다.
건물의 안전성평가 과정에서 발생하는 불확실성에 대한 예로는 지진하중과 풍하중과 같은 하중크기와 패턴, 실험 데이터의 정확도, 구조모델링의 정확도, 시공품질에 대한 불확실성 등이 있다.
베이스 구조신뢰성이론(bayesian structural reliability) 에서 한계상태의 저항능력과 요구량은 로그정규분포(log- normal) 또는 정규분포확률을 가질 수 있다. 두 가지 경우 모두 저항능력과 요구량의 평균값과 변동계수가 베이스 경신 법의 변수가 된다. 본 논문에서는 저항능력과 요구량이 정규 확률분포인 경우와 로그정규확률분포인 두 가지 기본 경우를 대상으로 한다.
하중요구량(DPL)과 평균 저항능력 값()의 상관관계는 식(1)과 같이 표현된다(Hart, 2012).
여기서, 은 하중저항능력에 대한 저감계수이며 정규확률 분포 및 로그정규확률분포인 경우에 대해 각각 식 (2)와 같이 결정한다(Hart et al., 2012).
식 (2)에서 α는 요구량의 평균값()에 대한 요구량 (DPL)의 비율, 즉 이다.
또한 는 신뢰도 지수(reliability index)이며 정규확률 분포 및 로그정규확률분포의 경우에 대해 각각 식 (3)과 같이 산정할 수 있다(Hart et al., 2012).
여기서, βC는 안전율(central safety factor)로 /로 표현된다.
식 (2 및 식 (3)에서 ρC, ρD는 각각 저항능력과 요구량의 변동계수 값이다. 여기서 한계상태의 저항능력과 요구량은 통계학적으로 독립되었다고 가정되었으며 베이스 경신법의 관점에서 확률분포 계수인 , , ρC와 ρD는 모르는 값이 므로 변수가 된다(Delli Quadri et al., 2012).
로그정규확률 분포의 경우 안전율은 식 (4)로 표현될 수 있다(Hart et al., 2012a).
Table 1은 식 (4)를 이용하여 목표하는 신뢰도 지수, β가 3.5인 경우 변화하는 ρC와 ρD의 값들에 대해 구해지는 안전율을 나타낸다. Table 1에서 안전율이 커진다는 것은 목표로 하는 구조물 응답을 이끌어내기 위해 그만큼 저항능력이 요구량에 비해 커져야 된다는 것이므로 ρC와 ρD에 대한 불확실성의 정도가 얼마나 중요한 요소인지를 알 수 있다.
한편, 변동계수로 표현되는 해당 계수의 불확실성의 수준을 단어로 표시하고 그에 맞는 변동계수 값을 정하면 매우 확실 (superior confidence-10% COV), 확실(good confidence- 20% COV), 보통(fair confidence-35% COV), 불확실(poor confidence-50% COV), 매우 불확실(very poor confidence- 80% COV)로 각각 나타낼 수 있다.
Table 1
Central safety factor (βC) in case of reliability index β=3.5
3. 베이스 경신법(bayesian updating)의 적용
베이스 경신법을 적용하여 콘크리트의 압축강도를 추정하는 사례를 살펴보기로 한다. 기본변수 X가 콘크리트의 압축강도 f'c라고 하고, 변수 X의 표준편차는 σX라고 표시하고 이 값을 알고 있다고 가정한다(σX=990psi). 실험에 의해 콘크리트의 압축강도가 5,471psi, 7,823psi, 5,326psi로 나왔다. 여기서 이 세 값은 실제로는 실험이 아닌 의 참 평균값을 5,500 psi로 정한 후 Matlab(2011)을 이용한 시뮬레이션에 의해 산출된 값이다.
이어서 기본변수 X에서 내포변수(nested random variable) Y를 새로이 만들어 낸다. 이 내포변수 Y는 기본변수 X의 평균값이다.
첫 단계로 구조엔지니어는 본인의 경험과 지식을 최대한 활용하여 Y의 평균값에 대한 사전추정값(prior estimate), 를 정하고 동시에 결정한 사전추정값 에 대한 확신 정도를 결정한다. 본 예에서는 는 5,000psi 라고 정하고 이 값에 대한 확신이 거의 없어서 내포변수 Y의 변동계수의 사전추정값을 80%라고 정한 것으로 하였다. 따라서 내포변수 Y의 표준편차에 대한 사전추정값은 다음과 같이 계산된다.
다음으로 세 번의 실험결과를 이용해 테스트 샘플의 평균을 구하면 그 값은 다음과 같다.
지금까지 제시된 값들을 이용하여 테스트 샘플의 값과 구조기술자의 경험과 지식에 근거한 값을 합하기 위한 공식은 아래 식 (5)와 같다.
복잡한 공식들을 가중계수 C1과 C2로 정리하면 이며 간단한 계산에 의해 C1=0.98 그리고 C2=0.02를 산정할 수 있다.
내포변수 Y의 사후분산(updated variance)을 나타내는 식은 다음과 같다(Hart et al., 2012b).
이 값을 계산하면 3.2×105psi가 된다.
위 식 (6)을 또다른 계수 C3를 이용해 다르게 표현하면 σYu=C3σX=0.57σX=0.57×990=566psi가 된다. 여기서 , 이다. 결과적으로 콘크리트의 압축강도 X의 예측 평균값, 표준편차 및 변동계수는 다음과 같다.
위의 경우는 세 개의 테스트 샘플이 있을 경우를 예를 든 경우이고 샘플의 수가 늘어남에 따른 결과의 변화는 Table 2에 보여진다. 여기서 테스트 샘플이 존재하지 않을 경우 (n=0) 내포변수 Y의 평균값에 대한 사전추정값, 와 내포변수 Y의 표준편차에 대한 사전추정값 만이 존재한다. Table 2에서 2열과 3열은 내포변수 Y의 사후평균과 표준 편차를 나타내며 4열과 5열은 기본변수 X의 예측 표준편차와 변동계수를 나타낸다. Table 2는 샘플 수에 따라 변화하는 계수 C1, C2, C3의 값도 보여준다.
Table 2
Convergence upon increased sample numbers in case prior estimate of COV for nested random variable Y equals 80% (top) and 20% (bottom) respectively
내포변수 Y의 사전추정 평균값에 대해 확신이 높다고(예- good confidence) 가정하면 내포 변수 Y의 변동계수 사전 추정값을 20%로 결정하고 이에 따른 결과치의 변화도 Table 2에 같이 정리하여 나타내었다.
Fig. 1은 테스트 샘플수가 증가함에 따라 테스트 샘플에 대한 의존도(가중계수, C1)가 증가하고 구조기술자의 경험과 지식에 근거한 사전추정값에 대한 의존도(가중계수, C2)가 감소한다는 것을 보여준다. 하지만 사전추정값에 대해 확신 정도가 높은 편이라면 테스트 샘플 수가 10개가 되는 경우 에도 여전히 구조기술자의 경험과 지식에 근거한 사전추정값에 의존도는 상당히 높다. Fig. 1이 보여주는 또 다른 중요한 정보는 구조기술자의 사전추정값에 대한 신뢰도를 높이는 것에 대한 혜택이 있다는 것이다. 이러한 신뢰도 증가는 예를 들어 이미 존재하는 콘크리트 기둥의 데이터베이스를 가능한 많이 활용하는 것으로도 가능하다(Haselton et al., 2008).
Table 3은 구조기술자의 사전추정값에 대한 신뢰도의 차이에 따라


Figure 1
Effects of prior uncertainty and sample size on test data weighting factor (C1) and prior estimate weighting factor (C2)
최종결정값이 얼마나 빨리 실제값에 근접하는지의 예를 샘플 수가 3개 인 경우에 대비하여 나타낸 것으로 사전추정값에 대한 신뢰도가 매우 불확실(very poor confidence)한 경우에서 매우 확실(superior conficence)한 경우까지 각 경우에 대한 최종결정값을 정리한 것이다. 사전추정값에 대한 신뢰도가 매우 확실한 경우에는 샘플 수가 3개 뿐인 경우에라도 베이스 경신법에 의해 계산된 최종 평균값(5,523psi)이 실제값(5,500 psi)에 매우 근접한다는 것을 알 수 있다(Park et al., 2014).
Table 3
Variation of parameters with prior confidence, three test samples
Table 4
Variation of parameters with various prior estimate, three test samples
Table 4는 테스트 샘플이 3개인 경우에 대해 사전추정값에 대한 신뢰도 수준을 매우 확실(superior confidence)하다고 판단하고, 사전추정값이 5,000psi에서 9,000psi까지 변하는 경우에 대한 최종 예측값의 변화를 보여준다. 실제값(5,500 psi)과 오차가 매우 큰 최초의 추정값에 매우 높은 수준의 신뢰도를 부가할 경우 보정없이 테스트 샘플만 활용할 경우 보다 더 못한 경우가 발생하는 것을 확인할 수 있다. 따라서 베이스 경신법이 일반 통계적 접근보다 항상 더 실제와 가까운 값을 도출하는 것이 아니라 기술자의 지식과 경험을 활용할 기회를 제공하는 것이다. 잘못된 사전추정값을 높은 신뢰도 수준이라고 믿고 접근할 경우 큰 오류가 발생할 수 있으므로 사전추정값을 제대로 산정하는 것은 매우 중요하다. 사전추정 값을 정확하게 산정하기 위해서는 무엇보다 구조기술자의 경험과 지식이 매우 중요하며 경험과 지식이 바탕이 되어 산정되는 사전추정값의 신뢰도 수준을 최대한 높일 필요가 있다. 이를 위해 다양한 관련 자료를 입수 분석하고 필요 시 구조해석, 동료평가, 시험 등을 진행할 수 있다. 반면, 사전 추정값의 신뢰도 수준이 낮다고 판단되는 경우에는 낮은 신뢰도수준의 계수를 적용하면 사전추정값에 대한 의존도가 감소하게 되고, 따라서 테스트 샘플에 대한 의존도가 증가 하므로 실상 더욱 중요한 것은 사전추정값에 대한 신뢰도 수준을 정확하게 파악하는 것이라고 할 수 있다.
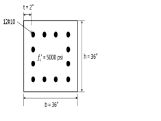
다음으로 베이스 경신법을 통해 계산된 콘크리트 압축 강도의 평균값과 변동계수를 사용하여 철근콘크리트 기둥의 저항능력(capacity)을 산정해 보기로 한다. 여기서는 사전 추정값 5,000psi에 신뢰도 수준을 매우 확실(superior confidence)인 경우를 사용하였다. Fig. 2는 예제로 사용된 콘크리트 기둥 상세를 보여준다.
콘크리트의 압축에 대한 저항능력(C)은 C=Agf'c(단, Ag는 기둥의 단면적이고 f'c는 콘크리트 압축강도)로 단순화 하여 산정하기로 한다. 여기서 기둥의 치수가 명시되어 있고 기둥의 단면적 또한 알고 있으므로 콘크리트 압축강도가 유일한 변수가 된다. 여기서 콘크리트 압축강도 f'c는 정규확률 분포를 보이는 변수 X라고 가정한다.
= 의 평균값
ρX = 의 변동계수
σX = 의 표준편차
따라서 콘크리트 압축에 대한 저항능력은 다음과 같다
Table 3에서 베이스 경신법을 통해 최종 예측값 = 5,523psi=5.523ksi이므로 =1,296=7,158kips가 된다.
압축 저항능력의 변동계수(COV)는 저항능력의 분산과 표준편차를 구한 후 상기의 평균값을 이용하여 구한다. 분산은
와 같이 산정되며 표준편차는 분산의 근의 값이므로
가 된다. 변동계수는 표준편차를 평균값으로 나누어서 구하므로 다음과 같이 계산된다.
여기서, 설계 과정에서 신뢰도 지수 β와 α값을 설정하여야 한다. 설계 응답 목표치를 위한 β를 3.5로 가정하고 =1이라고 가정하자. 이는 설계 등에 사용할 하중요구량이 요구량 샘플 값의 평균과 같다고 가정하는 것이다. 또한 콘크리트 압축에 대한 요구량(demand)이 비교적 상세한 컴퓨터 모델링으로부터 도출되어 그 요구량에 확실성이 확실 (good confidence)의 수준이여서 ρD=0.2라고 한다면 결과적 으로 하중저항능력에 대한 저감계수는 다음과 같다.
=1(1-0.75×3.5×0.192)/(1+0.75×3.5×0.2)
=0.325
결과적으로 기둥의 압축 저항능력은
가 된다.
비교를 위해 베이스 경신법을 사용하여 구조기술자의 경험과 지식을 활용한 보정을 하지 않고 테스트 샘플만을 사용하여 압축 저항능력을 계산해 보면
σX=1,402psi
COV(X)=ρX=1,402/6,207=0.226
=1,2968,044kips
ρC=0.226
=1(1-0.75×3.5×0.226)/(1+0.75×3.5×0.2)
=0.267
이고 결과적으로 압축 저항능력은
=0.267×8,044kips2,148kips가 된다.
따라서 베이스 경신법을 적용한 경우와 테스트 샘플만을 사용한 경우 기둥의 저항능력에서 약 7%정도의 차이가 발생 하는 것을 알 수 있다.
위의 예제는 산술평균 방식이 실제값보다 높은 평균값을 나타냈기에 베이스 경신법이 산술평균에 의한 방식보다 보다 정확한 평균값을 도출했음에도 불구하고 하중저항능력에 대한 저감계수가 반대로 더 높아 최종 설계값에서 큰 차이를 보이지 않았다. 하지만 만약 산술평균 방식이 테스트 샘플에 의해 실제 값보다 낮은 평균값을 나타낸다면 두 값의 차이는 매우 커지게 된다. 예를 들어 실험에 의해 콘크리트의 압축강도가 6,980psi, 4,150psi, 4,900psi가 나온 경우를 가정하면
= 5,343psi
σX=1,466psi
COV(X)=ρX=1,466/5,343=0.274
=1,296=6,925kips
ρC=0.274
=1(1-0.75×3.5×0.274)/(1+0.75×3.5×0.2)
=0.184
이고 결과적으로 기둥의 압축 저항능력은
가 되어 베이스 경신 법을 적용한 경우의 기둥저항능력에 비해 거의 절반에 불과한 것으로 평가된다.
4. 결 론
기존 건축물의 보수보강을 위한 구조안전성평가에 있어서 대상 구조물의 현 상태를 정확하게 아는 것은 매우 중요하다. 보다 정확한 평가를 위해 현장 또는 실험실에서 재료에 대한 실험을 하고 또한 그 값을 활용하여 구조해석 모델링에 사용 하게 된다. 하지만 샘플의 수가 많지 않고 최초 설계도면과 구조계산서 등을 바탕으로한 구조기술자의 예측값과 일치하지 않는 경우, 이 두 개의 다른 값을 혼용할 과학적 근거가 마련 되어 있지 않았다. 테스트 값에 의존하는 전통적인 통계방법 만을 사용할 수도 있으나 샘플이 잘못 선정되었을 경우에 대한 리스크가 존재하며, 오랜 시간 축적된 결과물인 구조기술자의 경험과 지식을 활용하지 않으므로 매우 비효율적이라고 할 수 있다. 본 논문에서는 구조기술자의 판단을 하나의 변수로 추가한 베이스 경신법을 이용하여 한계상태의 저항능력과 요구량의 변동계수를 예측하는 방법과 그 예를 살펴보았다. 분석을 통해 구조기술자의 사전추정값과 샘플을 통한 통계값을 혼용할 경우 사전추정값의 신뢰도를 높이는 것이 최종 결정값이 실제값에 근접하는데 매우 중요하다는 것을 확인하였다. 실제 예제에서 사전추정값이 실제값과 매우 근접하고 사전추정값에 대한 신뢰도가 높은 경우 하중저항능력에 대한 저감량이 작아져서 설계강도에 대해 할인이 적다는 것을 알 수 있다. 이에 반해 단순히 테스트 샘플 값만을 사용한 경우 통계 값과 실제 값이 큰 차이를 보일 뿐만 아니라 불확실성에 의해 하중 저항능력에 대한 저감량이 커져서 결국 설계강도에 대한 할인이 매우 큰 것을 알 수 있다. 이는 결국 불확실성에 의한 설계 손실을 의미하며 반대로 높은 신뢰도의 적합한 사전추정값을 도출 하면 설계값에 대한 불확실성을 줄이고 이를 통해 부재의 설계강도 손실을 줄일 수 있다.



