1. 서 론
프리스트레스 콘크리트(PSC)용 긴장재의 응력은 긴장시 즉시손실 뿐만 아니라, 콘크리트의 크리프 및 건조수축 그리고 PS강재의 릴렉세이션 등과 같은 시간 의존적 손실에 의하여 지속적으로 감소된다. PSC 긴장재의 긴장력은 PSC 구조계를 구성하는 핵심요소이기 때문에 이에 대한 정확한 검증과 함께 주기적인 점검은 반드시 필요하다.
PSC 구조계에서 현재 긴장력을 비파괴적인 방법으로 평가할 수 있는 기술은 예전부터 꾸준히 연구되어 왔다. Lin (1963)은 구조물의 긴장력 손실이 구조적 강성에 변화를 준다는 것을 보였으며, Saiidi 등(1994)과 Miyamoto 등(2000)은 긴장력 손실과 구조물의 진동 특성과의 관계를 연구하였다. Civjan 등(1995)은 손상된 PSC 구조물의 잔류 긴장력 평가방법을 제시하였으며, Pessiki 등(1996)은 수십년의 공용기간이 경과한 PSC 거더의 긴장력 추정 연구를 수행하였다. Burns 등(1991)과 Sharif 등(1993)은 비부착된 연속보에서의 긴장력 손실과 PSC 합성보에서의 시간에 따른 긴장력 손실에 대한 연구를 수행하였다. 그러나 이미 건설된 교량에 대한 정확한 긴장력 측정은 지금까지의 기술개발 현황으로는 쉽지 않은 일이며, 프리스트레스 긴장재의 잔존 응력 평가기술은 실무에 적용되기 위해서는 아직 해결되어야 할 문제점들이 많이 남아 있다.
현재 긴장력 검증을 위하여 일반적으로 사용되는 방법은 시공단계에서 인장 작업시에 긴장재의 신장량을 측정하여 간접적으로 긴장력을 추정하는 방법이다. 공용 중에는 교량에 발생하는 과도한 처짐과 균열을 관찰하여 긴장력의 저하를 간접적으로 추정한다. 이러한 교량의 긴장력 및 안전성 확인 방법은 수많은 사람들이 사용하는 중요한 사회간접시설물의 안정성과 신뢰성을 담보하기 위한 방법으로는 부족하다. 따라서, 앞으로는 긴장력 도입시 신장량에 의한 간접관리가 아닌 직접적인 측정을 통한 긴장력 관리가 가능하고, 공용중 장기손실이 반영된 긴장력 확인을 통하여 보강시기에 대한 선제적 선택과 적합한 보강 긴장력의 결정이 가능한 거더의 개발이 필요할 것이다.
본 연구에서는 이를 위하여 PSC 거더의 시공단계부터 센서를 설치하여 생애주기 긴장력 관리가 가능한 PSC 거더를 제안하기 위한 기초 연구로서, 현재의 기술 수준으로 사용 가능한 센서들을 활용하여 텐던의 긴장력을 측정하는 실험 연구를 수행하였다.
2. PSC 구조의 긴장력 측정기법 현황
이 장에서는 프리스트레스트 콘크리트 구조에서 긴장력을 추정하기 위하여 사용되는 기법들에 대한 기술현황을 소개하고자 한다.
2.1 하중 직접 재하법
가장 기본적인 긴장력 측정기법은 긴장재에 적용된 하중을 직접 측정하는 것이다. 시공단계에서는 유압 펌프의 유압을 응력으로 환산하여 긴장재에 가해지는 긴장력을 측정할 수 있다.
사용 단계의 구조물은 긴장재의 변형이 발생하여도 구조물에 손상이 발생하지 않는 비부착 긴장재를 대상으로만 가력 시험을 할 수 있다. 비부착 긴장재의 경우 재긴장을 수행하면서, 정착단에 틈이 발생하는 시점에서의 유압 펌프의 압력을 응력으로 환산하여 현재의 긴장력을 측정할 수 있으며(Lift-off test), 이 방법은 원자로 격납건물 등에서 실제로 활용되고 있는 방법이다.
2.2 탄성파에 의한 긴장력 추정
PS 강재의 잔존 응력 평가를 위하여 초음파 또는 탄성파를 활용하는 연구가 이루어져 왔으며, 이는 탄성체 내부의 응력 상태에 따라서 탄성파 속도가 달라지는 물리적 현상에 근거를 두고 있다. 비부착식 긴장재의 경우 초음파 도달시간이 강연선의 응력과 관계가 있음을 밝히는 사례들이 있었다(Chen and Wissawapaissal 2001). 그러나 Chaki와 Bourse(2009) 등은 유도초음파를 이용하여 비부착 PSC 강연선의 응력 모니터링은 가능하지만, 그라우팅 처리된 부착식 PSC 강연선에 대한 모니터링은 어렵다고 보고하였다. 그 이유는 부착식 PSC 강연선의 계측 길이가 길면, 부착 특성으로 인한 초음파의 감쇄가 증가하여 응답을 측정하기 어렵기 때문이다.
탄성파속도법을 활용한 다수의 연구사례 역시 보고되고 있다. 그러나 Kim 등(2012)의 탄성파속도법은 PS 강재의 응력이 인장강도의 40%이상이 되면, PS강재의 응력에 대한 탄성파속도의 민감도가 급격히 감소하는 문제가 있다. 따라서, 기 시공된 국내 PSC 교량은 대부분 부착식 텐던을 활용한 구조형식이며, 교량거더의 경우에는 일반적 경간장이 대략 30m~40m인 것과 PS강재의 잔류응력이 60%이상인 것을 감안하면, 초음파 및 탄성파 비파괴 긴장력 측정법의 정확도에 문제가 발생할 가능성이 있음을 보고하고 있다(Kim et al., 2013).
2.3 진동 특성으로 긴장력 추정
PSC 거더의 진동 특성변화를 이용하여 긴장력을 측정하고자 하는 연구가 진행되었다(Saiidi and Douglas 1994; Kim et al., 2008). Saiidi는 1994년에 고유진동수의 변화를 계측하여 긴장력 손실을 예측할 수 있는 방법을 연구하였다. Nabil과 Brian(1996)는 거더의 중앙 부분이 오픈된 PSC 거더의 동특성에 관한 실험을 수행하였으며, 긴장력과 진동수가 밀접한 관계가 있음을 밝혀냈다.
PSC 교량은 긴장력의 변화 이외에도 균열, 지점부 파손 등 여러 원인에 의하여 거더의 휨강성 저하가 발생하기도 한다. 이들 손상들은 서로 다른 구조물 진동특성의 변화를 유발하기 때문에, 각각의 개별 손상에 대해서는 수많은 기법들이 개발되고 검증되었으나 여러가지 손상이 동시에 발생하였을 때 그 기법들을 적용하기에는 문제가 있다. 따라서, 진동특성 변화만으로 긴장력의 변화를 모니터링하는 것은 현재의 기술 수준으로는 어려울 것으로 판단된다.
2.4 자기장 특성을 응용한 긴장력 추정
자기 투자율(magnetoelastic permeability)의 변화를 측정함으로써 텐던이나 케이블의 장력을 측정하는 기술이 Wang 등(2000)에 의해 개발되었다. 자성체에 응력이 가해지면 자속 특성이 변하는 역자기변형(inverse magnetostriction)효과가 발생하며, 이를 응용하여 자성체의 투자율(magnetic permeability)을 모니터링하여 자성체에 가해진 응력을 추정할 수 있다. Baudendistel과 Tunner(2007)는 자성체의 투자율과 응력 사이의 실험적 관계가 전체 응력구간에서 선형 비례한다는 것을 보고하였다. 이는 비자성체인 콘크리트와 강자성체인 PS강재로 이루어진 PSC 구조물에서, PS강재의 투자율을 계측하여 PS강재만의 응력상태를 추정할 수 있다는 것이다.
3. 실험 연구
3.1 실험의 개요
PSC 거더의 제작단계에서 설치하여 사용할 수 있는 센서들을 대상으로 긴장력 측정실험을 수행하였다. 실험 결과를 분석하여 각 센서들의 긴장력 측정에 대한 적용성과 정확성을 평가하였다. 본 연구의 평가결과는 교량의 시공단계에서부터 사용 중에도 프리스트레스를 측정·검증할 수 있는 거더 시스템개발을 위한 기본 자료로 활용하고자 한다.
실험은 2단계로 나누어 수행되었다. 1단계는 각기 특성이 다른 센서들을 동일한 기준으로 교정하는 실험이며, 2단계 본 실험에서는 소형 프리스트레스 거더에 센서들을 설치하여 직접 긴장력을 도입하는 실험을 수행하였다.
3.2 실험에 사용된 센서 및 측정장비
실험에는 하중의 직․간접 측정이 가능한 4종류의 센서들이 사용되었다. 3종류는 스트레인게이지를 응용한 로드셀이며 하중을 직접적으로 측정할 수 있다. 다른 하나는 자기장의 변화를 측정하여 이를 하중으로 환산하는 EM(Elasto- magnetic) 센서이다.
3.2.1 일반로드셀
긴장력을 직접 측정하기 위하여 다양한 종류의 로드셀을 활용하였다. 첫 번째는 Fig. 1(a)와 같이 프리스트레스 긴장력 측정에 가장 일반적으로 사용되는 중공형 로드셀이다. 중공로드셀은 긴장재의 하중을 비교적 손쉽고 정확하게 측정할 수 있으나, 로드셀 자체의 정확도가 다른 일반적인 로드셀에 비하여 낮은 특성을 가지고 있다. Table 1에 제조사에서 제공하는 중공로드셀과 일반로드셀의 규격을 비교하였다. 중공로드셀은 Rated Output(R.O.)값이 일반 로드셀과 비교하여 50% 수준이며, 이는 계측시의 해상도와 직접적으로 관련된 수치이다. 중공로드셀의 비선형성, 반복성, 비가역성 역시 일반로드셀과 비교하여 20배의 큰 수치를 보이고 있다. 또한 실제 측정한 사례들을 분석하여 보면 편심 하중이 작용하는 경우에는 측정값의 정확도가 제품의 제원보다 더 낮아지는 경향이 있다.
Table 1
Typical specifications for loadcells
| Items | Center-hole loadcell | Compressiveloadcell |
|---|---|---|
| Rated Output | 1.0 mV/V | 2.0 mV/V |
| Non-linear | ≤1.0% R.O | ≤0.05% R.O |
| Hysteresis | ≤1.0% R.O | ≤0.05% R.O |
| Repeatability | ≤1.0% R.O | ≤0.05% R.O |
앞서 서술한 중공로드셀의 오차 특성때문에 중공로드셀의 측정값을 긴장력 측정의 기준 하중으로 설정하기는 어려운 현실이다. 따라서, 정확한 하중측정을 위하여 Fig. 1(c)와 같이 압축로드셀 3개를 조합하여 편심에 의한 영향을 배제한 조합로드셀을 제작하였고, 이를 하중의 기준(정확한 긴장력 측정값)으로 설정하였다.
3.2.2 압력식 로드셀
한편, 편심의 영향을 배제한 하중측정을 위하여 Fig. 2(a)에 보인것 같이, 압력식로드셀을 개발하여 적용하였다. 압력식로드셀은 스트로크가 작은 폐쇄식 유압잭에 압력센서를 설치하여 외부 하중에 의하여 발생하는 압력의 변화 측정하여 이를 하중으로 환산하는 원리를 응용하였다. 유압방식을 사용하여 정수압(hydrostatic pressure)을 측정하면 편심에 의한 하중 불균형에 대한 영향을 배재하고 하중을 측정할 수 있을 것으로 예상하였다.
압력식로드셀의 크기는 단부에서 설치가 용이하도록, 최대한 납작하게 설계하였다. 설치된 압력센서의 정격출력은 1 mV/V이고, 비직진성, 반복성 및 비가역성은 0.3% R.O.로써 중공로드셀보다 정확한 하중측정이 가능할 것으로 평가할 수 있다.
3.2.3 Electro Magnetic 센서
지금까지 설명한 로드셀들은 하중에 의한 변형을 직접적으로 받기 때문에 장기 내구성에 대한 검증이 필요하며, 지점부에서만 설치하여 사용할 수 있고, 지간중앙부의 긴장재에 대한 응력을 측정하는 것은 어려운 실정이다. 또한, 최대 측정 용량이 큰 로드셀일수록 부피가 과도하게 커지고, 비용이 높아지는 경향이 있다. 그에 반하여, EM센서는 코일이 주요부품인 작은 부피의 단순한 구조로써 합리적인 가격으로 제작할 수 있다. 따라서, 비접촉방식으로 응력을 추정할 수 있는 Electro Magnetic(EM) 센서를 설치하여 하중계측을 실험하였다(Kim et al., 2015).
4. 센서 교정 실험
4.1 실험 개요
실험에 사용되는 센서들은 서로 다른 원리 및 메카니즘에 의하여 하중을 측정한다. PSC 긴장력의 계측이라는 하나의 목적으로 여러 종류의 센서를 상호 비교하기 위해서는 동일한 기준으로 센서들을 교정하여야 한다. 따라서, 실험에 사용되는 모든 센서들을 동일한 시험기에서 교정하였다. 교정에 사용된 장비는 MTS에서 제조된 피로-재료시험기이며, 시험기에 내장된 로드셀을 기준으로 센서들을 교정하였다.
압축으로 가력해야 하는 로드셀들은 Fig. 3과 같이 압축력을 도입하고, MTS 재료시험기 하중을 기준으로 로드셀들의 하중을 교정하였다. 인장으로 가력해야 하는 EM센서는 Fig. 4와 같이 재료시험기에 1개의 강연선을 설치하여 하중재하를 하여 교정하였다. 각각 0, 40, 80, 120, 160kN의 인장력을 도입한 후, EM센서를 MTS 재료시험기의 측정하중을 기준으로 교정하였다.
4.2 실험 결과
앞서 로드셀의 특성을 설명하였듯이, PSC 긴장력 측정에 주로 사용되는 중공로드셀은 로드셀의 제원상 계측 오차가 여타 로드셀에 비하여 높으며, 특히 로드셀의 구조적 특성상 편심의 영향을 크게 받는 단점이 있다. 따라서, 로드셀 교정 실험은 MTS 재료 시험기에서 편심을 최소화한 조건에서 수행하였다. 교정을 마친 로드셀들은 기준하중에 대하여 1% 이내의 정확한 측정값을 보이는 것을 확인하였다.
한편, EM센서 역시 MTS 재료시험기 실험을 통하여 하중의 계측에 필요한 투자율을 측정하였다. Fig. 5에서와 같이, 긴장재의 투자율 측정값은 긴장력이 증가됨에 따라 감소하는 경향을 나타내었으며 각 긴장력 단계에 따라 뚜렷이 구분할 수 있었다(Kim et al., 2015).
5. 소형 프리스트레스 거더 실험
5.1 실험의 개요
MTS 재료 시험기 교정실험을 통하여 동일한 기준으로 센서들을 일관적이고 정확한 값을 나타내도록 교정하였다. 교정된 센서들을 사용하여 PSC 거더와 동일한 시공조건을 재현하여 프리스트레싱 텐던의 긴장력을 계측하는데 있어서 여러 종류의 로드셀들과 EM센서의 계측 정확성 및 적용성을 평가하였다.
5.2 실험방법
5.2.1 긴장력의 도입
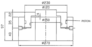
여러 종류의 계측 센서들을 활용하여 텐던의 긴장력을 측정하기 위하여 소형 거더 시험체를 제작하였다. 소형 거더는 마찰 손실에 의한 긴장력의 영향을 배제하기 위하여 2본의 I형 강재 형강을 결합하여 내부가 비어있는 형태로 만들었다. 양 끝단에는 프리스트레스 도입을 위한 재하판을 설치하였다. 자세한 시험체의 형상은 Fig. 6에 나타내었다. Fig. 7은 소형거더의 단부에 조합로드셀, 압력식로드셀, 중공로드셀과 EM센서가 함께 설치된 모습을 보여준다.
강연선을 1가닥, 4가닥 및 7가닥 사용한 경우에 대하여 긴장력을 도입하면서 센서들에 대한 계측을 실시하였다. 긴장재의 배치는 직선인 경우를 기본으로 중앙부에 편심을 도입한 경우도 고려되었다. 긴장력은 최대 강도의 70% 수준에서 적용되었다. 1가닥인 경우 150kN, 4가닥의 경우 600kN, 그리고 7가닥의 경우 1050kN을 초과하도록 긴장하였다.
5.3 측졍 결과
5.3.1 로드셀 측정 결과
긴장력 도입과정에서 고정밀 압축 로드셀을 3개 장착한 조합로드셀에서 얻어지는 하중, 중공로드셀 하중, 그리고 압력식로드셀에서 측정된 하중을 비교·분석 하였다.
조합로드셀은 3개의 압축로드셀을 결합하였으므로 반복 정밀도 및 비직진성은 0.15% 이내인 것으로 평가할 수 있으며, 역학적으로 긴장력 측정값을 가장 정확하게 측정할 수 있다고 판단되어 계측 값의 기준 하중(Pref)으로 설정하였다. 실험과정에서 긴장력 도입에 사용되는 유압펌프의 압력과 비교하여서도 일관적인 측정 결과를 보였다.
실험은 강연선 1개, 4개, 7개인 경우에 대하여 각각 수행되었으며, Fig. 8은 1개의 강연선에 대한 대표적인 하중 실험 결과이며, 인장기의 변위를 기준으로 인장단 또는 고정단 위치의 로드셀의 측정값을 그래프로 나타낸 것이다. 결과에 따르면, 세 종류의 로드셀은 직선 추세선을 산정할 경우 각각 결정계수(R-square) 0.997 이상의 높은 선형성을 보였다. 그러나, 그 기울기(정확도)는 기준 하중 측정값(Pref)에 비하여 다른 값을 나타내었다.
고정단쪽(dead end) 로드셀들은 긴장력의 도입과 함께 일률적으로 하중이 고르게 작용하였지만, 인장단쪽(live end) 로드셀들의 값은 하중 도입시기와 그 기울기에 있어서 상대적인 차이를 보였다.
인장단은 인장기에 의하여 하중이 직접 작용하는 위치이기 때문에 편심에 의한 영향이 비교적 크게 나타나는 것으로 판단된다. 특히, 압력식로드셀은 다른 로드셀에 비하여 하중이 도입되는 시점이 다소 늦게 나타나는 것으로 나타났다.
로드셀의 종류별 특성을 분석하기 위하여 조합로드셀에 작용하는 하중의 편심 특성을 분석하였다. 조합로드셀을 구성하는 3개 로드셀의 표준편차를 3개 로드셀 측정치의 평균으로 나누어서(CoV=σ/m) 편심 크기의 간접적인 척도로 고려하였다.
중공로드셀의 거동 특성을 신장량-하중 그래프를 통하여 확인하여 보면, 선형성은 결정계수(R-square) 0.99 이상으로 우수하게 나타났다. 그러나 측정된 하중 값(Pcenter)은 대부분 기준 하중보다 크게 측정되는 경향을 보였으나, 그 비율은 매 긴장력 도입 실험마다 조금씩 변화를 보였다. 기준하중 대비 중공로드셀 측정값의 비율을 편심 크기와 비교하여 Fig. 9에 나타내었다. 기준 하중 대비 정확도는 매 실험시마다 변화하였으며, 편심과 관련하여 특별한 경향을 보이지는 않았다.
따라서, 중공로드셀을 사용하여 긴장력을 측정할 경우 편심에 대한 특별한 주의가 필요하며, 측정된 값의 선형성은 보장이 되지만, 측정값의 정확성은 매번 조금씩 변화할 수 있다는 사실에 주의해야 할 것이다. 이 연구에서는 동일한 설정으로 실험하였음에도 불구하고 측정 경향은 매 실험마다 조금씩 변화하였다.
압력식로드셀의 거동 특성을 신장량-하중 그래프를 통하여 확인하여 보면, 역시 선형성은 결정계수(R-square) 0.99 이상으로 우수하게 나타났다. 그러나 압력식로드셀의 측정값(Ppressure)은 기준 값에 비하여 항상 낮게 측정되는 경향을 보였다. 편심의 크기와 압력식로드셀 측정값의 관계를 Fig. 10에 비교하여 나타내면, 압력식로드셀은 가해진 하중의 편심이 커질수록 기준하중에 비하여 하중이 낮게 측정되는 경향을 보였다.
압력식로드셀은 피스톤이 움직일 수 있도록 유격이 있으며, 또한 오일이 새지 않도록 내부에 오일링이 부착되어 있다. 따라서, 편심 하중이 작용할 경우 유격의 범위 내에서 유압 피스톤이 회전하고, 이에 따라 피스톤과 피스톤 외벽의 마찰력에 의한 마찰손실이 발생하는 것으로 판단된다. 특히, 이 연구에서 실험용으로 제작한 압력식로드셀은 피스톤의 축방향 길이가 짧기 때문에(높이가 낮음) 더욱 편심에 취약하게 거동하는 것으로 사료되며, 이에 따라 피스톤의 길이가 짧아 회전변형이 발생할 가능성이 있는 압력식로드셀은 긴장력의 측정에 적합하지 않은 것으로 판단된다.
6. 결 론
이 연구에서는 PSC 거더의 제작 단계에서부터 설치하여 생애주기의 긴장력 검증 및 모니터링에 활용할 수 있는 계측방법의 도출을 위하여, 여러 종류의 로드셀 및 EM센서의 긴장력 측정 정확성을 비교하는 실험 연구를 수행하였다. 센서가 설치된 소형 거더를 제작하여 긴장력을 도입하였고, 센서들로부터 측정된 결과를 기준 하중과 비교하였다. 본 연구 결과 도출된 결론을 요약하면 다음과 같다.
(1)긴장력의 도입 과정에서는 충분한 주의를 기울이더라도 어느 정도의 편심하중이 작용하는 것은 피할 수 없었다. 이러한 편심은 로드셀을 이용한 하중 측정의 오차를 유발하였다.
(2)중공로드셀은 인장기의 편심에 의하여 측정값의 오차가 영향을 받았다. 편심과 오차의 크기는 특별한 경향을 보이지는 않았으나, 대부분의 경우 측정값이 기준 값보다 크게 나타났다. 따라서, 중공로드셀을 실제 사용 시에는 이에 대한 주의가 필요할 것이다.
(3)압력식로드셀은 편심의 크기가 증가할수록 하중이 기준값과 비교하여 상대적으로 작게 측정되는 경향을 나타내었다. 이는 피스톤의 회전 변형으로 피스톤벽과 마찰력이 발생하기 때문으로 추정된다.
(4)EM센서는 로드셀에 비해서는 정확도가 다소 떨어지지만, PSC 긴장력 측정에 적용할 수 있는 5% 이내의 정확도를 얻을 수 있는 것으로 확인 되었다. EM센서는 대량 생산될 경우 낮은 비용으로 제작·설치할 수 있으며, 또한 비접촉방법으로 동작하기 때문에 거더의 어느 위치에나 설치가 가능하다.





















