1. 서 론
2. L형 플랜지의 볼트-외력 곡선 모델
3. L형 플랜지 볼트 접합부의 거동 특성
3.1 FE 해석모델
3.2 FE 해석에 의한 L형 플랜지 볼트 접합부의 거동 특성
3.3 FE 해석 결과와 기존에 제안된 볼트-외력 곡선모델의 비교
4. L형 플랜지 볼트 접합부의 제원 변동에 따른 거동특성
4.1 제원 변동에 따른 거동특성 분석 Case 선정
4.2 플랜지 내측 길이(a)에 따른 성능 특성 분석
4.3 플랜지 외측 길이(b)에 따른 성능 특성 분석
4.4 벽체 두께(t)에 따른 성능 특성 분석
4.5 플랜지 두께()에 따른 성능 특성 분석
4.6 볼트장력, 벽체 외력과 플랜지 제원의 상관관계
5. 결 론
1. 서 론
풍력터빈 구조물은 블레이드(Blade), 허브(Hub), 나셀(Nacelle) 등 RNA(Rotor Nacelle Assembly)와 외력으로부터 RNA에 발생하는 하중을 지지하고 기초까지 전달하는 타워와 하부구조물로 구분된다. 특히 타워와 하부구조물은 외력으로부터 발생하는 하중을 기초까지 전달하기 때문에 타워와 하부구조물 사이의 연결부는 풍력터빈 지지구조 시스템의 중요한 구조 요소 중 하나이다.
국내에 설치된 풍력터빈 구조물에서 적용된 타워와 하부구조물 사이의 연결 방법은 L형 단면을 가진 플랜지 상하부를 볼트로 체결하는 방식이 주로 사용되고 있다.
IEC 61400-6(2020) 코드에서는 L형 플랜지 볼트 접합부의 설계를 위해 Petersen(1988)이 제안한 극한하중에 대한 3가지 소성 힌지모델(Fig. 1)에 1개 파괴모드가 추가된 4가지 파괴모드에 의한 설계를 제안하고 있다. 또한 벽체로부터 전달되는 외력과 볼트에 작용하는 인장력의 관계인 L형 플랜지 볼트 접합부의 거동 특성을 Petersen(1988), Schmidt와 Neuper(1997) 그리고 Faulhaber와 Thomala(1987)의 볼트-외력 곡선 모델을 제시하여 설명되었다. 하지만 국내에서는 L형 플랜지 볼트 접합부에 대한 설계와 거동 특성에 대한 연구가 미흡한 실정이다.
본 연구에서는 L형 플랜지 볼트 접합부의 거동특성을 분석하기 위해 재료의 비선형성을 고려한 FE 해석을 통하여 L형 플랜지에 작용하는 외력과 볼트장력의 관계, 그리고 외력에 의해 발생하는 L형 플랜지의 응력변화를 외력의 작용 단계별로 분석하였다.
또한 볼트-외력 곡선 모델을 기존에 제안한 Petersen(1988), Schmidt와 Neuper(1997) 그리고 Faulhaber와 Thomala(1987)(이하 VDI 2230)의 접합부 거동의 불연속점과 FE 해석결과를 비교함으로써 FE 해석조건의 적절성을 확인하고, 각 볼트-외력 곡선모델의 특징과 L형 플랜지 볼트 접합부 거동 특성을 분석하였다. 그리고 L형 플랜지 단면 제원을 변수로 수치해석을 통하여 거동과 볼트-외력 곡선의 성능 변화를 분석하였다.
2. L형 플랜지의 볼트-외력 곡선 모델
일반적으로 링(Ring) 형태의 L형 플랜지 볼트 접합부의 거동은 단일볼트로 이상화하여 L형 플랜지 접합부의 거동 특성을 이론적으로 설명하고 있다. Fig. 2는 볼트-외력 곡선으로 벽체에 외력 Z가 작용할 때 볼트의 장력 를 나타낸 것이다. 대표적으로 Petersen의 Bi-linear 볼트-외력 곡선 모델, Schmidt와 Neuper의 Tri-linear 볼트-외력 곡선 모델, 그리고 VDI 2230(2003)의 Circular arc 볼트-외력 곡선 모델이 제안되고 있다.
Petersen의 Bi-linear볼트-외력 곡선 모델은 외력 Z와 볼트장력 의 관계가 2개의 선형선과 1개 불연속점 으로 표현되고 있다. 불연속점 은 볼트 초기장력에 의한 플랜지 압축응력이 볼트 중심으로 좌우 대칭으로 분포하다가 외력 Z에 의해 플랜지 압축응력이 점진적으로 감소하다가 플랜지 모서리에만 압축응력이 집중되는 지점이다.
Schmidt와 Neuper의 Tri-linear 볼트-외력 곡선 모델은 외력 Z와 볼트장력 의 관계가 3개의 선형선과 2개 불연속점 로 표현된다. 불연속점 은 볼트 초기장력에 의해 닫혀있던 플랜지 사이 간격이 외력 Z가 증가함에 따라 플랜지 압축응력이 감소하여 최초 열리기 시작하는 지점이다. 불연속점 는 플랜지 압축응력이 플랜지 모서리에만 집중되는 지점이다.
VDI 2230의 Circular arc 볼트-외력 곡선 모델은 외력 Z와 볼트장력 의 관계가 2개의 선형선과 1개의 곡선 그리고 2개 불연속점 로 표현된다. 불연속점 의 특징은 Schmidt와 Neuper와 동일하지만 과 사이의 변화를 직선이 아닌 곡선 형태의 변화로 표현하고 있다.
3. L형 플랜지 볼트 접합부의 거동 특성
3.1 FE 해석모델
본 연구에서는 볼트의 초기장력, 재료 비선형 그리고 호장증분법(Arc-length method)을 고려하기 위해서 ANSYS를 이용하여 3차원 해석 모델을 구현하였다. 해석 모델은 98개의 볼트를 가진 직경 6m, 두께 60mm인 타워의 L형 단면 링플랜지 접합부를 Fig. 3과 같이 단일볼트 연결로 이상화하여 약 40,000개의 솔리드요소(Solid element)로 모델링되었다. 강재의 물성은 항복강도 335MPa, 탄성계수 2.1×10¹¹Pa, 포아송비 0.3을 적용하였고, 볼트는 직경 72mm, 등급 10.9를 적용하였다.
경계조건의 경우, 플랜지 측면은 플랜지의 연속성을 고려하여 측면방향 병진변위를 구속하였고, 벽체 하단은 해석의 안정성을 위해 Fig. 3과 같이 x, y, z축 방향 병진변위를 구속하였다. 벽체 상단은 x, z축 방향 병진변위를 구속하였다.
L형 플랜지 볼트 접합부의 각 구성요소인 플랜지, 볼트, 너트 모델 사이의 접촉조건은 Fig. 3과 같이 고려하였고, 마찰계수는 0.2를 적용하였다.
볼트의 초기장력은 볼트 항복강도의 70%를 솔리드(Solid) 볼트요소에 고려한 1차 해석을 통하여 적용시켰다.
본 FE 해석으로서 벽체 상단 외력(External force) Z의 점진적 변화에 따른 L형 플랜지 볼트 접합부의 거동을 단계적으로 분석하기 위해 재료의 선형(linear)과 비선형(Bi-linear)을 적용하는 호장증분법(Arc-length method)의 과도해석(Transient analysis)을 각각 수행하였다.
3.2 FE 해석에 의한 L형 플랜지 볼트 접합부의 거동 특성
Fig. 4는 FE 해석에 따른 L형 플랜지 볼트 접합부의 볼트-외력 곡선과 각 단계별 거동 특성의 변화를 나타낸 것이며, 볼트의 장력은 , 벽체의 작용 외력은 Z이다.
Fig. 4의 a 단계는 외력이 작용하기 전으로서 볼트 축을 중심으로 플랜지 좌우에 압축응력이 고르게 분포하고 있다. b 단계는 벽체측 플랜지 사이가 최초로 열리는 시점이다. c 단계는 벽체측 플랜지의 압축응력 상실과 플랜지 사이 간격이 심화되는 단계이다. d 단계는 점진적으로 벽체 반대측 플랜지 모서리에 압축응력이 집중되기 시작하는 단계이다. e 단계는 벽체 반대측 플랜지 모서리에 압축응력 집중 심화와 함께 볼트의 초기항복(Initial yield)이 발생하는 단계로서 볼트-외력 곡선에서 급격한 성능 변화를 보이고 있다. 이는 재료 비선형을 적용한 해석결과로서 볼트의 초기항복점(Initial yield point)은 볼트 단면의 약 50%가 항복응력에 도달했을 때 나타났다. f 단계는 재료 비선형을 적용한 해석결과에서 볼트 재료가 극한상태(Ultimate failure point)에 도달한 단계이다.
3.3 FE 해석 결과와 기존에 제안된 볼트-외력 곡선모델의 비교
FE 해석의 선형과 비선형 해석 결과를 각각 Fig. 5과 Fig. 6에 L형 플랜지의 기존에 제안된 볼트-외력 곡선 모델의 거동을 비교하였다.
Fig. 5의 선형해석에 의한 볼트-외력 곡선은 볼트의 최대, 최소, 그리고 평균응력에 따른 볼트장력 와 외력 Z의 관계를 나타낸 것이다. 그림에 나타낸 것처럼, 초기에는 해석 값의 최소, 최대 및 평균값이 VDI-2230의 볼트-외력 곡선 모델과 유사한 거동을 보이고 있으나, 불연속점 이후에는 볼트의 최대응력으로부터 산정된 볼트장력 와 외력 Z의 곡선은 전반적으로 Schmidt와 Neuper의 볼트-외력 곡선 모델과 유사하였고, 볼트의 평균응력에 의한 볼트-외력 곡선은 Petersen과 VDI-2230의 볼트-외력 곡선 모델과 유사하였다.
이와 같이 불연속점 전/후 볼트-외력 곡선 모델과의 공통적인 유사성은 플랜지 모서리에 압축응력 집중이 나타나는 불연속점 이후의 볼트-외력 곡선에서 나타났다.
하지만 Fig. 4의 비선형해석에 의한 볼트-외력 곡선처럼 연결부의 L형 플랜지 볼트 접합부의 선형해석에서 재료적 항복이 발생한 이후의 해석결과는 의미가 없다.
그래서 비선형해석에 의한 볼트-외력 곡선의 해석결과와 볼트-외력 곡선 모델과 비교 검토할 필요가 있다.
Fig. 6에 나타낸 것처럼, FE 해석의 볼트 평균응력-외력 곡선이 VDI 2230의 볼트-외력 곡선 모델과 거동이 매우 유사한 것으로 분석되었다. 하지만 VDI 2230의 플랜지 모서리에 압축응력 집중 현상인 불연속점 는 해석결과의 경우 볼트가 초기항복에 도달하는 단계에 해당하고, 플랜지 모서리에 압축응력의 집중 현상이 최초 확인된 지점보다 좀 더 진행된 상태이다.
그리고 기존에 제안된 볼트-하중 곡선 모델은 해석결과 보다 외력 Z에 따른 볼트의 장력 가 더 큰 값으로 산정되어 보수적인 설계에 접근하는 것으로 판단되었다.
4. L형 플랜지 볼트 접합부의 제원 변동에 따른 거동특성
4.1 제원 변동에 따른 거동특성 분석 Case 선정
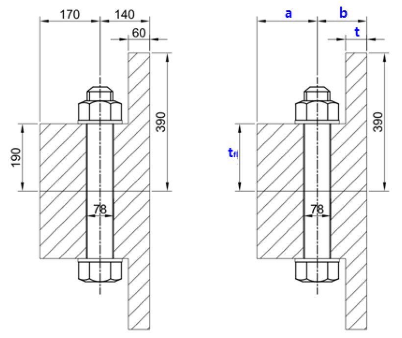
본 연구에서는 Fig. 7과 같이 L형 플랜지 볼트 접합부의 구성 요소를 나타내었으며 내측 플랜지 길이(a), 외측 플랜지 길이(b), 벽체 두께(t), 플랜지 두께()를 변수로 하였다.
Table 1은 L형 플랜지의 제원변화를 나타낸 것이며, 볼트-외력 곡선의 성능특성을 비교 분석하기 위해 Case-000의 제원을 기준으로 내측 플랜지 길이(a)와 외측 플랜지 길이(b)는 1.5배와 2.0배의 길이 변화를 고려하고, 벽체 두께(t)와 플랜지 두께()는 0.5배와 1.5배의 길이 변화를 고려하여 총 10 Case의 FE 해석을 수행하였다.
Table 1.
Variation case of flange dimension
4.2 플랜지 내측 길이(a)에 따른 성능 특성 분석
Fig. 8은 L형 플랜지에 볼트에 초기장력을 작용시켰을 때 플랜지의 수직방향 압축응력분포를 나타낸 것이며, 플랜지 내측 길이(a) 구간의 경우 완전한 타원의 형태를 보였다. 이러한 초기 응력상태에서 플랜지 내측 길이(a)를 Case-000의 50%와 100%로 증가시킨 Case-101과 Case-102의 경우, Fig. 8과 같이 플랜지 내측 길이 구간이 증가함에 따른 증가한 길이만큼의 비압축 구간이 형성되었다.
Fig. 9는 플랜지 내측 길이(a)에 따른 L형 플랜지 볼트 접합부의 거동에 대한 해석 결과를 나타낸 것이며, 플랜지의 내측 길이(a)가 증가할수록 볼트가 항복에 도달할 때의 외력 Z의 크기도 증가함을 알 수 있다.
플랜지 좌측 모서리에서 압축응력이 집중되는 상태(Fig. 9의 ⥀로 나타낸 값)에서 볼트장력 와 외력 Z에 관계를 힘의 평형관계를 이용하여 산정할 수 있다. 볼트 장력 가 작용할 경우 Case-000에서 외력 Z는 ×0.607이고, 플랜지 내측길이(a)가 50%로 증가시 외력 Z는 ×0.699이고, 플랜지 내측 길이(a)가 100%로 증가한 경우 외력 Z는 ×0.756이다. 내측 길이(a)가 증가할수록 외력 Z도 증가함을 알 수 있다.
4.3 플랜지 외측 길이(b)에 따른 성능 특성 분석
L형 플랜지 외측 길이(b) 변동의 경우, 볼트의 초기 장력에 의해 형성된 압축응력 분포는 Fig. 10와 같으며, Case-000에서 플랜지 외측길이 구간 내에 완전한 타원 형태를 갖추지 못한 상태에서 플랜지 외측 길이(b)가 증가하면서 완전한 타원 형태를 갖춘 상태가 되면서 압축응력 분포에 대해서 변화를 보였다. 그리고 초기 응력상태에서 플랜지 외측 길이(b)를 Case-000의 50%와 100%로 증가시킨 Case-201과 Case-202는 플랜지 외측 길이 구간이 증가함에 따른 증가한 길이만큼의 비압축 구간이 형성되었다.
L형 플랜지 볼트 접합부에 대한 볼트-외력 곡선은 플랜지의 외측 길이(b)가 증가할수록 작은 외력 Z에서 볼트가 항복하였다. Fig. 11과 같이 동일한 볼트 장력 에서 Case-000의 플랜지 외측 길이(b)의 50%로 증가시 외력 Z는 ×0.486 만큼 감소하고, 플랜지 외측 길이(b)를 100%로 증가시 외력 Z는 ×0.405 만큼 감소하였다. 따라서 플랜지 외측 길이(b)가 증가할수록 볼트가 항복에 도달하기 위한 외력 Z의 크기는 감소함을 알 수 있다.
4.4 벽체 두께(t)에 따른 성능 특성 분석
벽체 두께(t) 변동의 경우, 볼트의 초기 장력에 의해 형성된 압축응력 분포는 Fig. 12와 같으며, 초기 응력상태는 벽체 두께(t)를 Case-000의 83%와 67%로 감소시킨 Case-301과 Case-302의 경우 큰 변화를 보이지 않았다.
Fig. 13에서 L형 플랜지 볼트 접합부에 대한 볼트-외력 곡선은 벽체 두께(t)가 증가할수록 볼트가 항복할 때의 외력 Z이 증가하나 증가량은 미미하다.
이와 같는 결과는 플랜지 외측 길이(b)를 고정시킨 상태에서 벽체 두께(t)를 감소시키면 플랜지 외측 길이(b)가 증가하는 것과 동일한 효과가 나타났기 때문이다. Fig. 13에서 동일한 볼트 장력 에서 벽체 두께(t)가 Case-000의 83%로 감소하면 외력 Z는 ×0.596 만큼 감소하였고, Case-000의 67%로 감소하면 외력 Z는 ×0.586 감소하였다.
4.5 플랜지 두께()에 따른 성능 특성 분석
1L형 플랜지 두께() 변동의 경우, 볼트의 초기 장력에 의해 형성된 압축응력 분포는 Fig. 14와 같이 플랜지 두께()가 감소함에 따라 점진적으로 완전한 타원 형태를 보였다. Case-401은 플랜지 두께()를 Case-000의 50%로 감소시킨 경우이며, 플랜지 외측 길이 구간에 비압축 구간이 형성되었다. Case-403은 Case-000의 50%로 증가시킨 경우이며, 플랜지의 대부분 구간이 압축상태를 나타냈다.
Fig. 15의 Case-000, Case-402, Case-403에 대한 볼트-외력 곡선에서 볼트 초기항복점의 외력 Z는 플랜지의 두께()가 변동하여도 일정함을 보였다. 이는 볼트장력()과 외력(z)에 대한 힘의 평형관계에 영향을 미치는 플랜지의 내측길이(a), 외측길이(b), 그리고 벽체(t)의 변동이 없기 때문이다.
하지만, Case-401와 같이 플랜지의 두께()가 일정 수준 이하로 감소하는 경우에는 볼트-외력 곡선의 거동이 완전히 변화하는 것을 확인하였다. 또한 볼트가 초기항복점에 도달하는 볼트 장력()와 외력(Z)의 크기는 모두 감소하였다. 이는 Fig. 1에서 언급한 Petersen(1988)의 파괴모드 중 파괴모드 B가 파괴모드 C로 진행하는 과정으로 추정되며, 이로 인하여 볼트-외력 곡선의 성능이 하락한 것으로 판단된다.
4.6 볼트장력, 벽체 외력과 플랜지 제원의 상관관계
Fig. 16의 L형 플랜지 볼트 접합부에 대한 볼트-외력 곡선들을 비교한 결과, Case-401를 제외한 모든 Case에서 제원 변화에 따른 볼트의 초기항복점이 비교적 일정한 값을 유지하였고 L형 플랜지에 볼트 장력 작용할 때 외력 Z의 크기가 변동하는 것으로 나타났다.
Fig. 16에서 볼트-외력 곡선의 성능 특성은 힘의 평형관계에서 길이에 영향을 받는 것으로 판단되었다. 플랜지 내측길이(a), 외측길이(b) 및 벽체(t)에 따른 볼트장력 와 외력 Z의 관계는 다음과 같이 유도할 수 있다.
Fig. 17의 식 (1)은 볼트 장력과 외력 Z 사이의 상관관계를 나타낸 것이고, 식 (2)는 L형 플랜지의 제원변화에 따른 상관관계 계수 로 나타내었다.
Table 2는 FE 해석으로부터 산정된 볼트 장력 -외력 Z와 계수 로부터 예측된 외력 Z'를 정리하여 비교한 표이다. FE 해석의 외력 Z는 볼트-외력 곡선 형태가 다르게 나타나는 Case-401를 제외한 모든 해석 Case에서 상관관계 계수 로부터 예측된 외력 Z'와 1~3%의 오차 범위를 보이며 매우 정확한 예측이 가능한 것으로 판단되었다.
Table 2.
External forces by FE analysis and calculation
5. 결 론
본 연구에서는 재료 비선형을 고려한 FE 해석을 수행하였으며, 해석결과와 기존에 제안된 이론적인 볼트-외력 곡선 모델과 비교함으로써 FE 해석결과의 적절성을 확인하고, L형 플랜지 볼트 접합부의 거동 불연속점에 대한 경향을 분석하였다. 또한 L형 플랜지 단면 제원 변동에 따른 볼트-외력 곡선의 성능 변화를 분석하였다. 상기 분석 결과는 다음과 같이 정리하였다.
1) FE 해석의 볼트-외력 곡선은 이론적으로 제안된 볼트-외력 곡선 모델 중 하나인 VDI 2230의 곡선 형상과 볼트장력과 외력 관계가 비교적 유사하였다.
2) 이론적 볼트-외력 곡선 모델에서의 2가지 불연속점인 플랜지 사이의 열림(Opening) 현상과 플랜지 모서리 압축응력 집중 현상을 FE 해석에서도 확인되었고, 이들 현상은 FE 해석에서 보다 더 작은 외력 값에서 발생하였다.
3) L형 플랜지 단면의 제원에 따른 접합부의 거동은 볼트-외력 곡선을 이용하여 분석하였는데, 볼트-외력 곡선의 성능은 플랜지 내측 길이(a), 벽체 두께(t) 값이 증가할 경우, 플랜지 외측 길이(b)는 값이 감소할 경우에 성능 향상을 보였다. 또한 플랜지 제원변화의 상관관계로부터 외력 Z를 예측할 수 있었다.
4) 플랜지 두께()의 변동은 상관관계 계수 의 결정에는 관여하지 않으며, 플랜지 두께가 일정 수준 이하가 되면 볼트-외력 곡선의 성능 특성이 변하는 것이 확인되었다. 이는 Fig. 1에서 L형 플랜지 볼트 접합부의 파괴모드 B가 파괴모드 C로 진행하는 과정으로 추정되므로, 해당 부분에 대한 추가적인 연구가 필요할 것으로 판단된다.



















