1. 서 론
최근 고층 RC 건축물의 설계에 있어 지진하중, 풍하중과 같은 횡하중이 작용할 때, 대부분의 횡하중을 RC 구조벽체로 저항 하게 설계한다(Paulay and Priestley, 1992; Taranath, 2009). RC 구조벽체는 횡력저항부재로서 타 부재에 비해 긴 폭으로 인한 큰 강성과 강도를 가지기 때문에 효율적으로 건축 물의 전체 변형을 제어하고 강도를 확보할 수 있다. 따라서 고층 RC 건축물의 구조설계에 있어 합리적인 RC 구조벽체의 설계는 전체 시스템 설계의 구조성능과 경제성 및 시공성에 큰 영향을 준다고 할 수 있다(Choi et al., 2014).
Kang 등(2015)의 기존연구에 의하면, 고층 RC 구조벽체 대부분이 개구부, 연결보, 슬래브로 연결되어 병렬 RC 구조벽 체시스템(coupled structural wall system)으로 거동한다고 보고하고 있다. 하지만, 현재 실무에서는 이러한 병렬거동을 무시한 탄성해석을 기반으로 고층 RC 구조벽체 설계를 수행하기 때문에 합리적이지 못한 구조설계 결과가 발생하고 있다.
Kang 등(2015)의 연구에 의하면, 횡하중이 병렬 RC 구조 벽체시스템에 가력될 경우, 벽체와 보의 기하학적 형상으로 인해 연결보는 벽체에 비해 상대적으로 큰 변형형상을 보이게 된다. 따라서 보에는 횡하중으로 부터 유발된 연결보의 큰 변형으로 인해 상대적으로 큰 전단력이 발생하게 되며 이러한 전단력은 연결된 개별 벽체에 인장 또는 압축 축하중으로 작용 하게 된다. 추가적인 축인장력이 RC 구조벽체에 작용하는 경우, 벽체의 모멘트 성능이 감소하며 모멘트 하중에 저항하는 벽체 휨철근이 추가적으로 요구된다. 또한 추가적인 축압축력이 매우 큰 경우, RC 구조벽체의 강도감소계수가 감소하여 추가 적인 철근 배근 또는 고강도 콘크리트의 사용이 요구된다.
하지만 실제 병렬 RC 구조벽체시스템의 거동에서는 벽체가 극한강도를 발현하기 이전에 연결보가 항복하기 때문에 연결 보에 의해 발생하는 전단력과 이로 인해 벽체로 전달되는 축하 중은 제한적이라고 할 수 있다. 그러나 현재 탄성해석을 기반 으로 하는 벽체설계에서는 이러한 연결보의 항복거동은 고려 하지 못하며 실제보다 큰 추가 인장력과 압축력에 대해 구조 설계를 실시하여 불필요하게 많은 휨철근량을 산정하게 된다. Kang 등(2015)의 연구에 의하면 국내 고층 건축물에 적용되는 RC 구조벽체 설계에 있어 휨철근비가 1%를 초과하는 경우가 빈번하게 발생하고 있으며, 이는 병렬 RC 구조벽체시스템의 구조적 거동을 합리적으로 반영하지 못한 결과인 것으로 나타 났다. 또한 탄성해석을 통한 벽체 설계의 경우 일반적으로 양방향 횡하중 설계를 수행하기 때문에 개별 벽체의 철근량이 대부분 인장벽체를 기준으로 결정되며, 실제 시스템 측면에서 이러한 휨철근량 산정이 합리적인가를 고찰해 볼 필요가 있다.
Paulay와 Priestley(1992)는 연결보의 소성거동을 고려 하여 병렬 RC 구조벽체시스템 개별 벽체의 강도를 결정하는 성능기반 설계방법과 벽체의 모멘트 재분배 개념을 제시하였다. 성능기반 설계 및 모멘트 재분배 개념은 병렬 RC 구조벽체시 스템의 소성거동을 가정한 이론적인 방법으로 병렬 RC 구조벽 체시스템의 실제 소성거동을 반영하여 기존의 탄성해석 및 설계의 한계를 극복하고, 합리적이고 경제적인 RC 구조벽체 설계를 가능하게 하고자 하였다. 또한 Kang 등(2015)의 연구 에서는 성능기반 설계 및 모멘트 재분배 개념의 고층 병렬 RC 구조벽체에 대한 적용가능성을 확인하였다. 하지만 Paulay와 Priestley(1992)와 Kang 등(2015)의 연구에서는 임의의 단면 치수를 갖는 예시를 통해 설계방법을 제안/검증하였으며, 고층 병렬 RC 구조벽체시스템 설계에 있어 고려해야 할 다양한 변수에 따른 검증은 이루어지지 않았기 때문에 상기 방법의 적용성에 대한 면밀한 검토가 필요하다고 할 수 있다.
본 연구에서는 고층 병렬 RC 구조벽체시스템의 대한 성능 기반 설계 및 모멘트 재분배 개념의 적용성을 검토하고 설계 시 고려해야 할 다양한 변수의 영향을 면밀히 분석하기 위해 비선형 해석을 수행하였다. Kim 등(2011)의 연구를 통해 병렬 RC 구조벽체시스템의 정확한 거동파악이 가능한 것으로 보고된 LDLEM(longitudinal and diagonal line element model)과 비선형 재료모델을 사용하여, 병렬 RC 구조벽체 시스템의 철근비, 콘크리트 극한변형률, 벽체 높이를 변수로 한 해석모델을 구성하였다. 구성모델의 비선형 해석결과와 이론 상으로 정립된 성능기반 설계식을 통해 산출한 결과를 비교하여 성능기반 설계 적용의 타당성을 분석하였다. 또한 성능기반 설계방법을 기반으로 각 모델별 모멘트 재분배 개념의 적용성을 분석하였으며, 마지막으로 고층 병렬 RC 구조벽체시스템의 합리적이고 경제적인 설계를 위해 병렬 RC 구조벽체시스템의 성능기반 설계시 고려해야할 사항을 제안하였다.
2. 병렬 RC 구조벽체시스템의 성능기반설계
병렬 RC 구조벽체시스템의 비합리적 설계결과를 가져오는 탄성해석 설계방법의 대안으로 Paulay와 Priestley(1992)는 식 (1)과 같이 병렬 RC 구조벽체시스템의 개별 벽체 및 연결보의 소성거동을 가정하여 전체 시스템 강도를 결정하는 성능기반 설계개념을 제시하였다.
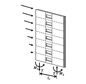
여기서, M 은 병렬 RC 구조벽체시스템의 휨강도, M1 (M2) 는 연결보로 인한 추가적인 축인장(압축)력이 가해진 개별 벽체의 강도, ls는 병렬 RC 구조벽체시스템의 벽체 중심간 거리, T 는 연결보로 인해 발생하는 축하중을 의미한다(Fig. 1 참고). 개별 벽체가 항복하기 이전에 연결보가 소성 상태에 들어가므로 연결보로 인한 벽체의 추가적인 축하중은 벽체의 강도와 상관 없이 연결보의 강도를 통해 결정할 수 있다.
또한 Paulay와 Priestley(1992)는 성능기반 설계개념을 기반으로 병렬 RC 구조벽체시스템의 전체 모멘트 강도를 유지 하며 인장측 벽체로부터 압축측 벽체로의 모멘트를 재분배 하는 개념을 식 (2)와 같이 제시하고 있다.
연결보로 인한 추가적인 축인장력이 작용하는 벽체(M1)에서 추가적인 축압축력이 작용하는 벽체(M2 ) 로 모멘트를 재분배 함으로써, 병렬 RC 구조벽체시스템의 강도는 유지하게 되며 인장벽체의 철근비를 감소시키고 압축벽체의 여유성능을 사용 할 수 있다(식 (2) 및 Fig. 2 참고).
모멘트 재분배 개념을 적용할 경우 탄성해석을 통한 벽체 설계에서 인장벽체를 기준으로 요구되는 벽체의 휨철근량과 큰 부재력으로 인해 연결보에 요구되는 휨철근량을 실제 거동에 근거하여 합리적으로 감소시킬 수 있다는 측면에서 긍정적으로 평가할 수 있다. 하지만 성능기반설계와 모멘트 재분배 개념은 고층 병렬 RC 구조벽체시스템의 극한거동에 영향을 미칠 수 있는 다양한 변수에 대한 검증이 이루어지지 않았다. 따라서 병렬 RC 구조벽체시스템의 설계에 있어 다양한 설계 변수에 대한 검증을 바탕으로 각 변수에 따른 성능기반 설계 적용의 타당성과 모멘트 재분배 개념 적용성 판단이 선행되어야 한다고 할 수 있다.
3. 설계변수에 따른 병렬RC구조벽체시스템의 거동특성
이 장에서는 OpenSees(2006) 프로그램을 사용하여 LDLEM 과 비선형재료모델을 기반으로 한 해석모델을 구성하고, 해석을 통해 다양한 변수에 대한 병렬 RC 구조벽체시스템의 실제 거동을 파악하였다. 일반적으로 30층을 넘어가는 고층 건축물에서는 아웃리거나 벨트트러스와 같은 특수한 횡력저항기구의 도입을 고려하기 때문에, 본 연구에서는 30층(약 120m) 이하의 병렬 RC 구조벽체시스템을 해석 연구 대상으로 선정하였다. 또한 병렬 RC 구조벽체시스템의 폭은 기둥 경간에 의해 결정되는 경우가 많은데 일반적인 고층 건축물의 경우 기둥 경간이 8~15m정도 되기 때문에 본 연구에서는 병렬 RC 구조벽체 시스템의 폭을 11.2m로 설정하였다. 이와 같은 형태적 특성을 반영하여 기준모델(Type 1)을 구성하였고, 이를 기준으로 콘크리트 최대변형률, 벽체 높이를 변수로 갖는 모델을 구성하여 분석을 진행하였다.
3.1. 철근콘크리트 벽체의 거시 모델
Kabeyasawa(1984), Linde와 Bachman(1994), Milev (1996), Vulcano와 Betero(1987), Orackal 등(2004) 등 은 휨-압축거동 파악을 위한 1축 수직요소와 전단거동 파악을 위한 1축 수평 요소를 이용하여 거시모델을 제안하였다. 하지만 해당 방식의 거시모델은 벽체의 전단거동에 관한 예측이 쉽지 않은 것으로 알려져 있다(Vulcano and Bertero, 1987)). Kabeyasawa(1984)와 Milev(1996)는 휨-압축거동 파악을 위한 1축 수직요소와 전단거동 파악을 위한 2축 면요소를 이용한 거시모델을 제안하였으나 1축 수직요소 및 수평 요소로 이루어진 거시모델에 비해 수치해석에 다소 어려움이 있으며, 벽체 복부의 콘크리트 및 철근이 휨-압축거동에 미치는 영향에 대한 파악이 어렵다(Kim et al., 2011).
Kim 등(2011)은 철근콘크리트 벽체의 휨-압축 거동 및 전 단거동의 정확한 예측을 위한 LDLEM(longitudinal and diagonal line element model)을 제안하였으며 상기제안 거시모델은 실험결과와의 비교를 통해 세장한 벽체, 낮은 벽체, 병렬 RC 구조벽체시스템의 거동 예측이 가능한 것으로 나타났다. 따라서 본 연구에서는 병렬 RC 구조벽체시스템의 거동을 파악 하기 위해 Kim 등(2011)이 제안한 LDLEM(longitudinal and diagonal line element model)을 사용하였다(Fig. 3 참조). Kim 등(2011)에 의해 제안된 LDLEM은 무차원의 무한강성 보와 길이 방향 및 대각 방향의 트러스요소들로 단위 벽체가 구성되며 단위벽체의 조합을 통해 전체 벽체를 구성 한다. 단위벽체의 상‧하부의 무한강성 보로 인하여 LDLEM은 Bernoulli의 평면가정을 만족한다(Fig. 3(a) 참고). Fig. 3(a)에서 단위벽체의 길이 방향 트러스 요소는 철근과 콘크리 트로 이루어진 복합 요소로 철근과 콘크리트를 별도의 트러스 요소로 모델링한다. 철근과 콘크리트 모델은 완전 부착을 가정 하여, 동일한 휨-압축 변형이 발생한다. 철근 및 콘크리트 길이 방향 트러스 요소의 단면적 Als와 Alc는 벽체단면에서 각 트러스 요소가 차지하는 철근과 콘크리트의 기여 면적으로 정의한다(Fig. 3(b) 참고). 이와 같은 모델링을 통해 길이 방향 트러스 요소는 벽체의 휨-압축 거동을 나타내게 된다. 전단저항을 위한 대각 방향의 트러스 요소는 각도가 θc인 콘크 리트 트러스 요소로 모델링하며, 벽체 복부의 중앙에 위치하도록 배치한다(Fig. 3(c) 참고). Fig. 3(c)에 나타낸 바와 같이 대각 트러스 콘크리트 요소의 각도 θc는 벽체 복부의 사인장 균열 각도를 나타내며, Oesterle 등(1984), Vecchio와 Collins (1986), Benzs 등(2006)의 연구에 따르면 벽체 복부의 사인장 균열각 θc는 수직 및 수평 철근비에 따라 일반적으로 35°~ 55°의 값을 갖는다. 대각 트러스 콘크리트 요소의 단면적 Adc 는 복부 콘크리트 스트럿의 균열 직각 방향 단면적으로 식 (3)과 같이 결정할 수 있다.

Fig. 3
Longitudinal-and-diagonal-line-element-model(LDLEM) for reinforced concrete walls(Kim et al., 2011)
여기서, hw는 벽체 복부의 단면폭, bw 는 벽체 복부의 두께를 의미한다(본 연구에서는 계산상의 편의를 위해 벽체 복부의 두께를 벽체폭 hm으로 가정하였다). 이와 같이 대각 트러스 콘크리트 요소의 모델링을 통해 벽체의 횡력에 의한 전단거동을 나타내게 된다. Kim 등(2011)은 기존 연구를 통해 위와 같은 단위벽체를 조합한 거시모델을 적용하여 병렬 RC 구조벽체 시스템의 비선형 해석 결과와 실험 데이터를 비교하였으며, 해당 거시모델 적용을 통해 병렬 RC 구조벽체의 정확한 비선형 거동 예측이 가능함을 검증하였다. 따라서 본 연구에서는 LDLEM 방법을 사용하여 병렬 RC 구조벽체시스템 모델을 구성하였다.
3.2. 재료모델
LDLEM 거시요소는 콘크리트 및 철근 트러스 요소들로 구성되며, Fig. 4(a), Fig. 4(b)와 같이 비탄성 거동을 반영한 응력-변형률 관계로 콘크리트와 철근의 재료 모델을 정의하였다.
콘크리트 및 철근의 비선형 거동을 표현하기 위해, 콘크리트 재료모델은 Kent-Scott-Park(1971)모델을 사용하였고, 철근 재료모델은 Giuffre-Menegotto-Pinto(1973)모델을 사용 하였다(Fig. 4(a) 및 Fig. 4(b) 참고).
3.3. 해석모델 및 해석변수
Fig. 5(a)는 LDLEM을 적용한 비선형 해석모델의 예시를 보여준다. 해석모델은 해석변수에 따라 단위벽체의 개수를 조정하였다. LDLEM의 단위벽체 구성은 변수해석 모델 종류 와는 관계없이 16개의 콘크리트 및 철근 길이 방향 트러스 요소와 2개의 콘크리트 대각 방향 트러스 요소로 동일하게 이루어져 있다. 개별 벽체를 잇는 연결보는 단면을 다수의 요소로 나누고 각 요소에 재료 비선형 및 구속효과를 고려 할 수 있는 Fiber model(Opensees, 2006)을 사용하였으며, 모멘트 접합으로 각 층을 연결하였다. Kwon et al(2013), Kim 등(2017) 등의 연구에 의하면, RC 구조벽체를 연결하는 연결보는 전단경간비와 철근상세 등에 의해 연성능력이 크게 달라지는 것으로 보고하고 있다. 본 연구에서는 병렬 RC 구조 벽체시스템에서 RC 구조벽체의 거동을 중점적으로 분석하기 위하여 연결보는 충분한 연성을 발휘하는 것으로 가정하였다.
Fig. 5(b)는 모델별 해석변수를 보여준다. 모델은 변수해석 모델에 따라 각각 Type 1부터 Type 3으로 명명하였으며, 층고와 벽체 두께, 연결보의 철근비는 모든 모델이 동일하다. 기준모델과 다른 벽체층수(높이)를 가지는 벽체를 Type 2와 3으로 명명하였다.
3.4. 해석결과
이 절에서는 변수 해석 결과를 표 및 그림으로 요약하였다. 해석 결과를 나타낸 표에서 해석 변수명은 Wall 1벽체의 폭(l1) - Wall 2벽체의 폭(l2) - 벽체 총 높이(h) - 연결보 깊이(d) - 축력(P ) - Wall 1벽체 휨철근비(S1) - Wall 2벽체 휨철근비(S2)의 순으로 명명하여 표기하였다(즉, W1L5- W2L5-H40-d0.5-P0.2-S10.010-S20.010(Type 1-1)의 경우 Wall 1벽체의 폭 5m, Wall 2벽체의 폭 5m, 벽체 높이 40m, 연결보 깊이 0.5m, 축력 0.2Agfck, Wall 1벽체 휨철근비 1%, Wall 2벽체 휨철근비 1%의 모델을 의미한다). 또한, 해석 변수명에 따라 식 (1)에 의한 성능기반강도를 제시하였다. 성능기반 강도와 해석강도의 오차분석, 연결보 항복여부 파악을 통해 병렬 RC 구조벽체시스템의 소성거동을 증명하고 이에 따른 성능기반 설계 적용의 타당성과 모멘트 재분배 개념의 적용성을 분석하였다.
(1) Type 1 model(기준모델)
Table 1은 Type 1 model의 비선형해석과 분석결과를 나타낸 표이다. Type 1 model은 개별 벽체의 폭은 동일하며 (l1 , l2=5m), 전체 철근비의 총량을 1%로 동일하게 하고 인장측 벽체의 철근비를 1.0~0.1%, 압축측 벽체의 철근비를 1.0~1.9%로 변화시켜 각 결과의 비교분석을 통해 개별 벽체의 철근량 변화에 따른 벽체 성능변화와 성능기반 설계 적용의 타당성을 조사하기 위한 모델이다. Table 1의 비교결과에 의하면, 식 (1)을 통해 산정된 성능기반 설계식 강도(A)와 비선형해석 강도(B)는 최대 -4.5%에서 최소 -1.4%의 차이를 갖는 것으로 나타났다. 이와 같이 식 (1)을 통한 강도와 실제 비선형해석 강도 사이에는 다소 차이가 있는 것으로 나타났다. 이는 성능기반 설계 적용의 타당성을 분석하기 위해서는 우선적 으로 Type 1 model에 대한 성능기반 설계식의 성립 여부에 관한 검증이 필요함을 의미한다. 성능기반 설계는 개별 벽체 및 연결보의 소성거동을 가정한 이론이기 때문에 이 연구에서는 부재별 항복시점을 분석하여 이를 검증하였다.
Table 1
Strength of Type 1 model according to reinforcement ratio
Fig. 6(a)는 강도 차이가 가장 큰 Type 1-1 model의 실제 거동에서의 부재별 항복시점을 나타낸 그림이다. Type 1 model의 연결보는 10개로 하부에 위치하는 연결보부터 Beam 1으로 시작하여 최상단보를 Beam 10, 개별 벽체는 Wall 1과 Wall 2로 명명하였다(Fig. 5(a) 참고). Fig. 6(a)에 나타난 바와 같이 개별 벽체(Wall 1, Wall 2)가 항복하기 이전에 모든 연결보(Beam 1~10)가 항복하여 극한 상태인 것을 볼 수 있다. 따라서 Type 1 model의 경우 성능기반 설계에서의 개별 벽체 및 연결보의 소성거동에 대한 가정을 만족하며 설계식의 적용에 있어 제한사항이 없다고 할 수 있다. 또한, 이에 따라 성능기반 설계를 기반으로 하는 모멘트 재분 배의 적용이 가능하다. 개별 벽체 철근비에 따라 강도, 강성 및 변형성능의 차이가 거의 없기 때문에(Fig. 6(b) 참고) 모멘트 재분배를 통한 합리적이고 경제적인 설계 결과를 얻을 수 있다고 판단된다.
Type 1 model의 경우에는 성능기반 설계의 적용성이 매우 크고, 모멘트 재분배를 통한 합리적인 설계가 가능한 것으로 나타났다. 하지만 앞서 언급한 바와 같이 식 (1)을 통한 성능 기반 강도와 비선형 해석 강도와의 차이가 발생하고, 이로 인하여 안전성에 문제를 야기할 수 있기 때문에 병렬 RC 구조 벽체시스템의 최적 설계를 위해서는 이에 대한 원인을 파악해야 한다고 할 수 있다.
(2) 콘크리트의 극한변형률에 따른 벽체 거동
본 연구에서는 일반적인 병렬 RC 구조벽체시스템의 강도를 파악하기 위하여 콘크리트의 극한변형률을 기준(KBC 2016; ACI 318-10)에서 가정한 0.003으로 설정하여 재료모델을 구성하였다. 이를 적용한 Type 1 model의 해석 결과에서는 성능기반 제안식 강도와 해석 강도 차이가 최대 -4.5%에서 최소 -1.4% 발생하는 것으로 나타났으며(Table 1 참고), 이 절에서는 강도 차이가 최대 -4.5%로 발생하는 Type 1-1 model의 콘크리트 극한변형률에 따른 벽체의 거동 파악을 통해 강도 차이의 발생 원인을 분석하였다.
Fig. 7은 Type 1-1 model의 콘크리트 극한변형률의 변화에 따른 벽체의 거동을 나타내는 그림이다. 각 모델별(Type 1-1-A~H)로 극한변형률은 기준에서 가정한 0.003부터 벽체 압축단부 횡보강을 통해 확보 가능한 0.010까지 산정하여 해석을 진행하였다. 일반적으로 횡보강되지 않은 콘크리트의 극한변형률을 0.003까지로 정의한다. 본 연구에서는 병렬 RC 구조벽체시스템의 연성거동에 필요한 콘크리트의 극한변형률을 판단하기 위하여 0.003보다 큰 변형률에 대해서도 해석을 실시하였다. Fig. 7에 나타난 바와 같이 극한변형률이 증가함에 따라 병렬 RC 구조벽체시스템의 강도 및 변형능력이 증가하는 것을 볼 수 있다. Table 2는 콘크리트 변형률에 따른 모델별 식 (1)의 예상 강도(C)와 비선형해석 강도(D), 그리고 강도를 비교(1-C/D)하여 나타낸 표이다. 비교결과에 의하면 콘크리트 극한변형률의 값이 0.005와 0.006 사이의 값을 가질 때, 성능 기반 설계식 강도와 비선형 해석 강도가 동일해지는 것을 알 수 있다. 이는 성능기반 설계식을 적용하는데 있어 콘크리트 극한변형률을 고려해야 함을 의미한다. 또한 성능기반 설계를 수행하기 위해서는 RC구조벽체의 압축단부 콘크리트에 횡보 강을 실시하여 높은 수준의 극한변형률을 확보해야 함을 의미 한다.
Table 2
Strength of Type 1-1 under different strain level
Fig. 8(a)는 Type 1-1-A model의 최대강도 발현 시점을 기준으로 Type 1-1-A(극한 변형률 0.003)과 Type 1-1-H (극한 변형률 0.010) model의 벽체하부의 휨응력을 비교한 그림이다. Type 1-1-A model의 최대강도 발현 시점에서 각 모델 길이 방향 트러스 요소의 콘크리트와 철근 응력은 유사한 값을 보이고 있으며 이 시점에서의 전체 시스템 강도 또한 유 사한 값을 갖는 것으로 나타났다. Fig. 8(b)는 Type 1-1-H model의 최대강도 발현 시점을 기준으로 Type 1-1-A과 Type 1-1-H model의 응력을 비교한 그림이다. Fig. 8(b)에 나타난 바와 같이 Type 1-1-A model은 인장측(Wall 1) 벽체의 강도가 증가하는 시점에 압축측(Wall 2)벽체의 콘크 리트 압축단부가 약 6MPa의 응력을 갖는 것을 볼 수 있다. 이는 인장측 벽체의 강도가 증가하는 시점에 압축측 벽체의 압 축단부는 압괴가 발생하여 Type 1-1-A model이 상대적으로 작은 연성을 갖는 것을 의미한다. 반면 Type 1-1-H model의 경우 인장측(Wall 1) 벽체의 강도가 증가하는 시점에 압축측 (Wall 2) 벽체의 압축단부가 파괴되지 않고 응력을 유지하는 것을 볼 수 있다. 이는 인장측 벽체의 강도가 증가하는 시점에 압축측 벽체의 압축단부의 압괴가 발생하지 않고 연성을 유지 하는 것을 의미하며, 이로 인해 Type 1-1-H model의 강도가 Type 1-1-A model의 강도에 비해 큰 값을 갖는 것으로 나타 났다.
상기 해석결과를 분석해보면, 인장측(Wall 1) 벽체와 압축측 (Wall 2) 벽체가 최대 강도를 발휘하는 시점이 같지 않음을 알 수 있다. 즉, 인장측 벽체의 최대 강도 발현은 압축측 벽체에 비해 상대적으로 늦게 일어난다. 따라서 식 (1)과 같이 Wall 1, Wall 2벽체의 최대 강도를 합산하여 병렬 RC 구조벽체 시스템의 강도를 산정하기 위해서는 압축측(Wall 2) 벽체의 강도가 인장측(Wall 1) 벽체의 강도 발현시점까지 유지되어야 하며, 이를 위해서는 콘크리트의 극한변형률이 압축단부의 횡보강 등을 통해 0.003보다 크게 유지되어야 함을 의미한다.
(4) Type 2, Type 3 model(벽체 높이 변수해석 모델)
Table 3은 Type 2 model의 개별 벽체 철근비에 따른 성능 기반 설계식 강도와 비선형 해석 강도, 그리고 강도 차이를 나타낸 표이다. Type 2 model은 기준모델(Type 1)을 기준 으로 층수와 벽체 총 높이를 증가시켜(h=80m) 벽체높이를 변수로 한 해석모델로 나머지 해석변수는 기준모델(Type 1)과 동일하다. 식 (1)을 통해 산정된 성능기반 설계식 강도(A)와 비선형 해석 강도(B)의 비교 결과 두 강도는 최대 -5.9%에서 최소 -2.3%의 차이를 갖는 것으로 나타났다.
Table 3
Strength of Type 2 model according to reinforcement ratio
Fig. 9(a)는 강도 차이가 가장 큰 Type 2-1 model의 부재별 항복시점을 나타낸 그림이다. 그림에서 볼 수 있듯이 개별 벽체(Wall 1, Wall 2)의 항복 이전에 모든 연결보 (Beam 1~20)가 항복하여 극한 상태인 것으로 나타났다. 따라서 성능기반 설계식이 성립하며 이를 기반으로 하는 모멘트 재분배의 적용이 가능하다. 또한 비선형 해석 강도에서 나타난 바와 같이 개별 벽체에 철근을 균등하게 배치하는 것이 비교적 강도 확보에 유리한 것으로 나타났다(Table 3).
Table 4는 Type 3 model의 개별 벽체 철근비에 따른 성능기반 설계식 강도(A)와 비선형 해석 강도(B), 그리고 강도 차이를 나타낸 표이다. Type 3 model은 기준모델(Type 1)을 기준으로 층수를 증가시켜 벽체 총 높이를 2배 증가시킨(h =120m) 벽체높이 변수해석 모델로 나머지 해석변수는 기준 모델(Type 1)과 동일하다. 식 (1)을 통해 산정된 성능기반 설계식 강도와 비선형 해석 강도의 비교 결과 최대 -14.2%에서 최소 -8.2%로 Type 2 model에 비해 차이가 큰 것으로 나타 났다.
Table 4
Strength of Type 3 model according to reinforcement ratio
Fig. 10(a)는 강도 차이가 가장 큰 Type 3-10 model의 부재별 항복시점을 나타낸 그림이다. 그림에서와 같이 최대강도 발현시 하단과 상단의 보(Beam 1~5, 19~30)와 압축측 벽체(Wall 2)가 항복하지 않고 탄성 상태에 있는 것으로 나타 났다. 이로 인해 연결보의 항복을 가정하는 성능기반 설계식 강도와 비선형 해석 강도의 차이가 매우 크게 발생한다고 할 수 있다.
Type 2, 3 model의 해석 결과에서 알 수 있듯이, 병렬 RC 구조벽체시스템의 벽체 높이가 높아질수록 설계식 강도와 해석 강도의 차이가 크게 발생하며 소성 거동을 가정한 성능기반 설계식과 이에 따른 모멘트 재분배의 적용에 제약이 있다고 판단할 수 있다.
4. 병렬 RC 구조벽체시스템의 성능기반설계시 고려사항
병렬 RC 구조벽체시스템의 설계에 관한 변수(철근비, 콘크 리트 극한변형률, 벽체 높이)를 고려하여 비선형해석을 수행한 결과 성능기반 설계 및 모멘트 재분배 개념의 적용을 위해서는 다음 두 가지 사항의 고려가 요구된다.
4.1. 연결보의 항복여부
성능기반 설계방법은 병렬 RC 구조벽체시스템의 개별 벽체 및 연결보의 소성거동을 가정하여 전체 시스템 강도를 결정하는 방법이다. 따라서 본 설계방법의 적용을 위해서는 벽체가 극한 강도를 발현하기 이전에 연결보가 항복하여야 한다. 본 연구의 분석에 따르면, 10층(40m), 20층(80m)의 병렬벽체의 경우, 최대강도 발현 시 모든 연결보가 항복하였으나 30층(120m)를 초과하는 경우, 벽체의 항복 강도 발휘시점에서 연결보가 항복 하지 않는 경우가 발생하였다.
벽체 높이가 증가하게 되면 개별 벽체의 강성에 비해 연결 보의 강성이 상대적으로 커지기 때문에, Fig. 11에 나타난 바와 같이 벽체변형의 곡률이 역전되어 벽체 상, 하단부의 연결보 또는 전체 연결보가 항복하지 않게 된다.
따라서 벽체의 높이가 높거나 연결보의 강성이 상대적으로 큰 경우, 혹은 벽체의 소성거동이 크지 못한 경우에는 병렬 RC 구조벽체시스템의 파괴시점까지 연결보가 항복하지 못할 수 있고 이와 같은 경우 식 (1)을 통한 성능기반 설계의 적용이 불가능할 수 있기 때문에 주의를 기울여야 한다.
4.2. 벽체의 소성거동
앞서 3.4.(2)절에서 콘크리트 극한변형률에 따른 벽체 거동 분석을 통해 벽체의 소성거동을 위한 연성 확보는 병렬 RC 구조벽체시스템의 강도 결정에 중요한 요인임을 파악하였다. Table 5는 각 변수해석 모델별로 압축 벽체의 압축 단부에 요구되는 극한변형률을 나타낸 표이다. Table 5에서 상기 요구 극한변형률은 비선형 해석에 의한 극한강도가 식 (1)의 예상 강도를 달성할 수 있는 콘크리트 극한변형률을 의미한다. 일반적으로 횡보강하지 않는 콘크리트의 극한 변형률은 0.003 또는 0.004로 가정한다. 따라서 Table 5에 나타난 바와 같이 다양한 설계 변수와 관계없이 성능기반 설계를 통한 최적 설계를 위해서는 일정 수준의 횡보강을 통해 콘크리트 벽체 압축 단부의 변형률 확보 또는 연성 유지가 요구된다고 할 수 있다.
Table 5
Required ultimate strain of concrete with various design parameters
| Model | Required ultimate strain of concrete |
|---|---|
| Type 1 | between 0.005 and 0.006 |
| Type 2 | between 0.006 and 0.007 |
| Type 3 | above 0.01 |
Paulay와 Priestley(1992)에 따르면 횡보강된 콘크리트의 극한변형률은 0.012에서 0.05의 값을 갖는 것으로 보고하고 있다. 따라서 벽체의 압축 단부 횡보강을 통해 Table 5에 요구되는 콘크리트 극한변형률을 만족시킬 수 있으므로 벽체의 횡보강을 통한 성능기반 설계가 가능하다고 할 수 있다. 특히, 벽체 높이가 높고 연결보의 깊이가 깊은 병렬 RC 구조벽체 시스템의 경우, 연결보의 항복을 위해 벽체의 큰 소성변형이 요구되며, 이 경우 벽체 압축단부의 횡보강이 필수적이라고 할 수 있다.
5. 결 론
본 연구에서는 다양한 변수를 갖는 병렬 RC 구조벽체시스 템에 대한 성능기반 설계의 타당성과 이에 따른 모멘트 재분배 개념의 적용성을 분석하기 위해 Wall 1(인장측) 벽체의 폭 (l1 =5m), Wall 2(압축측) 벽체의 폭(l2 =5m), 벽체 높이 (40m≤ h ≤120m), 연결보 깊이(d =0.5m)에 대한 모델을 구성하고 이에 대한 비선형해석을 수행하였다. 각 설계변수 (철근비, 콘크리트변형률, 벽체높이)가 병렬 RC 구조벽체시스 템의 거동에 미치는 영향을 분석하였으며 이를 기반으로 병렬 RC 구조벽체시스템의 성능기반 설계방안을 위한 고려사항을 제안하였다. 본 연구를 통해 분석된 결과를 요약하면 다음과 같다.
(1) 소성거동을 가정한 성능기반 설계의 적용을 위해서는 연결보의 항복여부에 대한 고려가 필요하다. 해석 결과 에 따르면 벽체 높이가 높은 경우(h =120m, 층수= 30F), 상당수의 연결보가 항복하지 않고 탄성 상태로 거동하였다. 따라서 높이가 높고 연결보의 강성이 상대 적으로 큰 병렬 RC 구조벽체시스템에 대해 성능기반 설계 및 모멘트 재분배 개념을 적용하기 위해서는 벽체에 높은 수준의 소성변형능력을 필요로 하며, 이를 위해 벽체 압축단부에 횡보강을 필수적으로 실시해야 한다.
(2) 벽체의 압축단부 횡보강을 통해 소성거동기반 벽체의 성능설계가 가능하다. 해석 결과에 따르면 변수에 따라 압축측 벽체의 압축단부에 요구되는 콘크리트 극한변 형률의 값은 다르나, 기본적으로 최소 0.005이상의 값이 요구되는 것으로 나타났다. 특히 벽체의 높이가 높은 경우(h ≥120m, Story≥30F), 압축측 벽체의 압축 단부 조기 압괴를 방지하기 위하여 0.010이상의 콘크 리트 변형률이 요구된다.
(3) 연결보의 항복과 벽체의 안정적 소성거동을 확보하는 경우, 모멘트 재분배를 통한 강도 확보를 기반으로 합리적 이고 경제적인 성능기반 벽체 설계가 가능한 것으로 판단 된다.
위 요약과 같이 본 연구에서는 RC 구조벽체시스템의 거동에 영향을 미칠 수 있는 철근비, 콘크리트변형률, 벽체높이 등에 관한 분석이 이루어졌다. 향후에는 벽체의 폭이 다른 병렬 RC 구조벽체시스템과 같이 부정형의 형태를 가지는 벽체시스템에 대한 추가적인 연구가 진행되어야 할 것으로 판단된다.












