1. 서 론
플랫 플레이트는 보가 없는 2방향 슬래브 구조로 슬래브에서 기둥으로 전달되는 하중으로 인해, 기둥 주위에 큰 응력집중이 발생하여 취성적인 뚫림전단 파괴가 발생하게 된다. FRP는 섬유로 제작된 내부식성 및 경량, 고강도성 등의 장점을 가지고 있어 철근을 대신한 보강근으로 적용하거나 기존 구조물의 보강을 위한 연구가 지속적으로 수행되고 있다. Bouguerra 등(2011)은 GFRP bar를 주근 대신 사용하여 뚫림전단성능을 평가하였다. Meisami 등(2013)은 플랫 플레이트의 위험전단 구간에 구멍을 뚫어서 rod 형태로 제작된 CFRP를 보강하는 방법을 제안하였다. 실험을 통해 제안한 방법의 전단성능을 평가하였다. Soudki 등(2013)은 CFRP를 strip으로 제작하여 플랫 플레이트 밑면에 부착하여 보강하였으며 실험을 통해 플랫 플레이트의 성능 평가 및 CSA와 ACI 식의 적용성을 평가하였다.
본 논문에서는 철근 스터럽을 전단보강재로 사용하는 대신, 선행연구(Hwang et al., 2014)에서 그 성능이 검증된, 판 형태의 GFRP를 플랫 플레이트에 전단보강하여 실험을 수행하였다. GFRP 판은 Fig. 1에서 보는 바와 같이 콘크리트와의 부착을 향상시키기 위한 개구부가 있으며, 섬유 방향에 따라 수평 및 수직 요소로 구성된다. 선행연구에서 규명된대로 전단에 대한 수평 요소의 기여도가 매우 미미하기 때문에 수직 요소의 폭과 간격, GFRP 판의 두께로 전단보강면적을 결정한다. 실험을 통해 GFRP판으로 전단보강된 플랫 플레이트의 전단강도를 평가하였다. 또한, ACI 318-11 (ACI Committee 318 2011), BS 8110-97(BS 8110 1997), EUROCODE 2(European Committee for Standardization 2004), 국내 콘크리트 구조설계규준(Korea Concrete Institute, 2011)의 전단강도식을 통해 산정한 전단강도를 실험결과와 비교하여 그 적용성을 평가하고자 하였다.
2.1 ACI 318-11
ACI 318에서 전단 보강재가 없는 경우, 플랫 플레이트의 위험단면은 기둥 표면으로부터 d/2만큼 떨어진 곳에 위치한다고 가정한다. 전단 보강재가 있는 경우, 위험단면은 최외단 전단 보강재로부터 d/2만큼 떨어진 지점의 둘레길이로 가정하고 있다. Fig. 2(a)에 ACI 318규준의 위험단면을 나타내었다.
ACI 318의 전단강도는 콘크리트와 전단 보강재의 전단강도의 합으로, 콘크리트의 전단강도와(식 (2)) 전단보강재의 전단강도(식 (3))를 합하여 산정된다(식 (1)). 기둥 네 면에 배치하는 GFRP 판의 수직요소에 대한 전단 보강량은 식 (4)를 통해 계산한다. 식 (5)를 통해 GFRP 판 수직성분 개수를 계산하여 식 (3)에 대입하면 GFRP 판의 전단강도 기여분이 산정된다.
(1)
(2)
(3)
(4)
(5)
2.2 BS EN 8110-1:1997
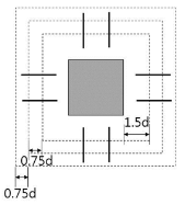
BS 8110에서 전단 보강재가 없는 경우의 위험단면은 기둥 표면으로부터 1.5d 만큼 떨어진 곳으로 한다. 전단 보강재는 0.75d 만큼 증가되는 위험단면의 둘레길이에 전단 보강재를 배치하도록 하고 있다. Fig. 2(b)에 BS 8110에서 제시하는 위험단면을 나타내었다. BS 8110기준식의 전단강도는 ACI와 마찬가지로, 콘크리트와 전단 보강재의 전단강도의 합으로 산정된다(식 (6)). 콘크리트 전단강도는 식 (7)과 같이 콘크리트의 압축강도, 위험단면 및 슬래브 유효두께, 인장 철근비를 고려하여 나타낸다. Marzouk와 Hussein (1992)는 콘크리트 압축강도를 제곱근으로 고려할 경우, 고강도 콘크리트의 뚫림전단 강도 산정에 있어서 콘크리트 강도를 과대평가 한다고 하였다. 따라서 BS 8110은 콘크리트 압축강도의 세제곱근의 값으로 콘크리트 전단강도를 산정하도록 하고 있다. 또한 ACI 318과 다르게 슬래브 유효깊이에 대한 크기효과(Size effect)와 인장철근비의 영향을 고려한다. 식 (8)은 GFRP 판의 전단강도를 나타낸 식이다. 식 (9)의 전단 보강재 단면적을 계산하여 식 (8)에 대입하면 GFRP 판의 전단강도를 산정할 수 있다.
(6)
(7)
(8)
(9)
2.3 EUROCODE 2
EUROCODE 2에서 전단 보강재가 없는 경우 위험단면은 기둥 표면으로부터 2d 만큼 떨어진 곳으로 한다. 전단 보강재가 있는 경우 최외단 전단 보강재로부터 1.5d 만큼 떨어진 지점의 둘레길이로 위험단면을 정한다. 또한 ACI 318과 BS 8110과 다르게 위험단면의 모서리를 4분원으로 한다. Fig. 2(c)에 EUROCODE 2의 위험단면을 나타내었다. Collins와 Kuchma(1999)는 ACI의 전단강도식은 휨 철근량이 적고 슬래브의 두께가 두꺼울 경우 전단강도를 과대평가한다고 하였다. 또한 휨 철근양이 적은 경우, 전단강도가 감소하게 됨을 밝혔다. 슬래브의 두께와 휨 철근양을 고려하여 EUROCODE 2에서는
로 슬래브 유효깊이에 대한 크기효과(Size effect)를 고려하고, 인장철근비의 영향과 콘크리트 압축강도의 영향을 고려한 전단강도 식을 제시하고 있다.
EUROCODE 2의 전단강도는 식 (10)과 같이 콘크리트 및 전단 보강재의 전단강도의 합으로 산정된다. 콘크리트 전단강도는 식 (11)과 같이 나타낸다. 식 (13)과 식 (14)는 ACI 318수정식과 동일한 방법으로 적용되며 이를 식 (12)에 대입하여 1.5배 함으로써 전단 보강재의 전단강도를 산정할 수 있다.
(10)
(11)
(12)
(13)
(14)
2.4 국내 콘크리트 구조설계규준
국내 콘크리트 구조설계규준(이하, KCI)에서는 인장철근비와 슬래브 유효깊이의 두께효과를 고려하고 있으며, 슬래브 압축대의 전단강도를 정확하게 평가하기 위해서 압축대에 작용하는 전단력과 휨모멘트의 복합 응력을 고려하였다. 위험단면은 ACI 318과 동일하다. KCI 기준식의 전단강도는 식 (15)와 같이 콘크리트 및 전단 보강재 전단강도의 기여분의 합으로 나타낸다. 식 (16)은 콘크리트의 전단강도 기여분을 나타낸 것이다. KCI는 전단보강재가 항복강도의 50%에 도달하는 것으로 가정하고 강도식에 반영한다. 식 (18), (19)의 GFRP 판 수직성분의 기여분을 계산하여 식 (17)에 대입하면 GFRP 판의 전단강도 기여분이 산정된다.
(15)
(16)
(17)
(18)
(19)
3. 실 험
3.1 사용 재료
시험체 제작에 사용된 콘크리트의 압축강도는 KS F 2405의 기준에 따라 재령 28일 후 압축강도를 측정한 결과 평균 20.25MPa로 확인되었다. 인장철근과 기둥철근은 D 22의 이형철근을 사용하였으며, 인장철근의 항복강도는 500 MPa을 사용하였다. 기둥의 띠철근은 D 10의 이형철근을 사용하였다. GFRP 재료의 항복강도는 480MPa, 탄성계수는 50GPa이다. 사용된 재료의 물성치를 Table 1에 나타내었다.
Table 1
Material properties
| Diameter(mm) | Tensile Strength(MPa) | Modulus of Elasticity(GPa) | |
|---|---|---|---|
| Tension bar Column bar | 22.2 | 500 | 200 |
| hoop | 9.5 | 400 | 200 |
| GFRP | - | 480 | 50 |
3.2 시험체 상세
무보강 시험체 1개, GFRP 판으로 전단 보강된 시험체 6개로 총 7개의 시험체를 제작하였다. 시험체 평면도를 Fig. 3에 나타내었다. 시험체의 크기는 2000×2000mm이며, 슬래브 두께 180mm, 슬래브 중앙에 폭 250mm의 정사각형 기둥을 상부 기둥 높이는 300mm, 하부 기둥 높이는 150mm를 가지도록 제작하였다. Fig. 3에 나타난 바와 같이 기둥 주변 4면에 GFRP 전단 보강재를 배치하였다.
시험체 일람을 Table 2에 나타내었다. 시험체 표기방법은 이 연구의 변수인 기둥면과 첫 번째 전단보강재 사이의 간격, 전단 보강재 세로 스트립의 개수를 나타낼 수 있도록 하였다. Control 시험체는 전단보강되지 않은 시험체이며, G는 GFRP 판으로 전단보강 시험체를 의미한다. A, B, C는 기둥면과 첫 번째 전단보강재 사이의 간격을 나타내며 각각 42mm(0.3d), 69mm(0.5d), 97mm(0.7d)를 나타낸다. 본 실험은 전단성능을 평가하는 실험으로 휨 파괴 이전에 뚫림전단 파괴가 발생하도록 유도하여 설계하였다. 이 때 시험체의 휨 성능은 Johansen(1998)의 yield line theory를 사용하여 산정하였다. Johansen은 4변이 단순지지된 슬래브의 소성 휨모멘트 강도에 의해 발휘되는 최대 휨강도 Py의 크기를 다음 식 (20)과 같이 계산하도록 제시하였다.
(20)
(21)
Table 2
Characteristics of specimens
Specimens notation - G2B
G : Type of shear reinforcement(G : GFRP plate)
2 : Number of GFRP plate vertical strip(2, 3, 4, 5)
B : Distance between the column face and the first line of shear reinforcement(A : 42mm, B : 69mm, C : 97mm)
Table 2에서 보는 바와 같이 모든 시험체는 ACI 318로 설계된 전단강도(Py) 보다 휨 강도가 크게 제작되어서 휨 파괴가 선행되도록 하였다. G2B, G3B, G4B, G5B 시험체에는 전단보강 간격은 동일하게 설계하고 세로 스트립의 개수를 변수로 두었다. G3A, G3B, G3C는 각각 기둥면과 첫 번째 전단보강재 사이의 간격에 차이를 두었다.
3.3 실험 방법
시험체는 반력 프레임 위에 실험을 위해 제작된 힌지로 4변을 단순 지지하고 최대용량 1000kN의 Actuator를 사용하여 평균 1kN/min의 속도로 하중을 재하하였다. 실제 구조물에서는 슬래브에 하중이 재하되어 처짐을 발생시키면서 뚫림전단이 발생하지만 본 실험에서는 실험 여건 상 인장 철근을 하부에 설치하고 상부 기둥에 하중을 재하하는 실험방법을 선택하였다. 시험체 하부에 다섯 개의 변위계(LVDT)를 설치하여 시험체의 수직 변위를 측정하였다. 인장 철근의 거동을 파악하기 위하여 기둥으로부터 가로 방향과 세로 방향에 일정 간격으로 변형률 게이지를 여섯 개씩 부착하였다. 시험체 세팅은 Fig. 4에 나타내었다.
4. 실험 결과
4.1 인장철근 변형률
각 시험체의 인장 철근에 기둥 면에서부터 가로·세로 방향으로 150, 250, 350, 550, 700, 900mm만큼 떨어진 위치에 변형률 게이지를 부착하여 변형률을 측정하였다. 시험체의 최대하중 시 인장 철근 변형률을 Fig. 5에 나타내었다. Fig. 5에서 왼쪽 상단에 변형률 게이지의 부착위치를 도식하였고, 가로·세로 방향 인장철근의 변형률을 비교하기 위하여 가로 방향 인장철근의 게이지에서 측정된 변형률을 그래프의 좌측에 표현하고, 세로방향 인장철근의 게이지에서 측정된 변형률을 우측에 표현하였다. 보이는 바와 같이 최대하중 시 모든 인장철근 변형률 값이 항복변형률 값에 미치지 못하였다. 즉, 모든 시험체는 휨 철근 항복과 휨 파괴가 일어나지 않고 뚫림전단 파괴가 발생했음을 알 수 있다. 또한 Control 시험체의 경우 취성적인 뚫림전단 파괴의 영향으로 다른 시험체에 비하여 낮은 변형률이 나타났으며, 모든 시험체는 기둥 주변에서 가장 높은 변형률을 보였다.
4.2 기둥면과 첫번째 세로 스트립 사이의 간격
ACI 318, BS 8110, KCI 규준에서는 기둥면과 첫번째 전단보강재의 열사이의 간격을 유효깊이의 절반값(0.5d) 이하로 제한하고 있으며, EUROCODE 2 규준에서는 0.3d 이상으로 제한하고 있다. 철근 스터럽의 대체재인 GFRP 판으로 각 규준에 만족하는지 비교하였다. Fig. 6에 GFRP 판으로 전단보강한 플랫 플레이트에서 기둥면과 GFRP 판의 첫번째 세로 스트립 사이의 간격에 따른 전단강도를 비교하였다. G3A, G3B, G3C는 각각 그 간격을 42mm(0.3d), 69mm(0.5d), 97mm(0.7d) 값으로 설계하였다. Fig. 6에 나타난 바와 같이 순서대로 567kN, 543kN, 520kN으로 간격이 작을수록 전단강도가 다소 증가됨을 확인할 수 있으나, 전단강도는 큰 차이는 확인할 수 없었다. 이는 각 규준에 부합하는 0.3d이상 0.5d이하의 간격뿐만 아니라 0.7d에서도 간격에 따른 영향이 거의 없다는 것을 의미한다. 따라서 기둥면과 GFRP 판 첫번째 세로 스트립 사이의 간격은 각 규준에 잘 부합하며 또한 0.7d로 설계하여도 전단강도 발현에 문제가 없을 것이라고 판단된다.

Figure 6
Shear strength depending on the Distance between the column face and the first line of shear reinforcement
4.3 전단보강재 세로 스트립의 개수
Fig. 7은 G2B, G3B, G4B, G5B 시험체의 하중변위 곡선이다. 각 시험체는 차례대로 전단보강간격을 0.5d로 동일하게 설계하고 세로 스트립의 개수를 2개, 3개, 4개, 5개로 설계한 시험체이다. Fig. 7에서 보이는 대로 각각의 시험체가 최대하중에 도달하기 전까지 유사한 거동을 보이다가 작용하중이 증가함에 따라 일정하게 변위가 증가되었고 각 시험체 별로 최대하중에 도달하면서 취성 파괴되었다. 예상되는 바와 같이 세로 스트립의 개수가 증가함에 따라 전단보강면적이 증가하기 때문에 이로 인한 최대하중이 증가하였다. G2B 시험체를 규준으로 G3B 시험체는 15%, G4B 시험체는 23%, G5B 시험체는 47% 최대하중이 증가한 것으로 나타났다.
4.4 실험결과와 설계 규준의 비교
Table 3에 각 코드의 전단강도식을 통해 산정된 전단강도를 정리하였다.
Table 3
Comparison of code provisions
Table 4
Comparison between experimental and predicted failure loads(concrete shear strength)
| Specimen | Vexp | ACI 318 | BS 8110 | EC 2 | KCI | ||||
|---|---|---|---|---|---|---|---|---|---|
| Vn,ACI(kN) | Vexp/Vn,ACI | Vn,BS(kN) | Vexp/Vn,BS | Vn,EC2(kN) | Vexp/Vn,EC2 | Vn,KCI(kN) | Vexp/Vn,KCI | ||
| Control | 450 | 327 | 1.38 | 390 | 1.15 | 397 | 1.13 | 471 | 0.96 |
Table 5
Test results
Table 4에 전단보강 하지 않은 Control 시험체의 실험결과와 각 규준에 따라 산정한 콘크리트의 전단강도를 정리하였다. 실험값과 비교한 결과, ACI 318에 비해 BS 8110과 EUROCODE 2의 기준식이 실험값에 더 가까운 값을 나타냈다. 이는 BS 8110과 EUROCODE 2에서 콘크리트의 전단강도 산정시, 슬래브 유효깊이의 크기효과, 인장철근비의 영향 등을 포함시켰기 때문이다. 또한 KCI의 경우 위험단면의 영향을 콘크리트 전단강도 기여분에 포함시켜 무보강 시험체의 경우, 전단강도비가 0.96으로 실험결과에 가장 가까운 값을 예측하였다. 그러나 전단파괴의 취성적인 측면을 고려하였을 때 전단강도를 과대 평가하는 것으로 판단되었다. Table 5와 Fig. 8에 GFRP 판으로 전단보강된 시험체의 실험결과와 ACI 318, BS 8110, EUROCODE 2, KCI를 통해 산정한 전단강도를 비교하여 나타내었다. ACI 318의 전단강도비 평균은 1.40, 표준편차 0.06으로 실험 값을 과소평가 하였다. 반면, BS 8110의 전단강도비 평균은 0.85, 표준편차는 0.07, EUROCODE 2의 전단강도비 평균은 0.78, 표준편차는 0.05, KCI 전단강도비 평균은 0.83, 표준편차는 0.05로 나타났다. BS 8110, EUROCODE 2, KCI의 평균 전단강도는 ACI 318에 비해 실험값에 가까운 결과를 예측하였으나 모두 전단강도비 1이하의 값을 보이며 전단강도를 과대평가한 것으로 나타났다.
5. 결 론
1)기둥면과 첫 번째 GFRP 판의 세로 스트립 사이의 간격은 각 설계규준인 0.3
0.5에 잘 부합한다. 또한 0.7로 설계하여도 전단강도 발현에 문제가 없는 것으로 판단된다.
2)GFRP 판의 세로 스트립의 개수에 따른 하중변위곡선을 분석한 결과, 세로 스트립의 개수가 증가함에 따라 전단보강면적이 증가하여 전단강도 또한 증가하는 것으로 나타났다.
3)ACI 318, BS 8110, EUROCODE 2, KCI의 전단강도 산정식의 전단강도와 실험값을 비교한 결과, BS 8110, EUROCODE 2, KCI 규준은 슬래브의 크기 효과 및 인장철근비의 영향 등을 반영하여 ACI 318에 비해 실험값에 가까운 전단강도를 예측하였으나 실험결과를 다소 과대평가 하는 것으로 나타났다. GFRP판으로 전단보강된 플랫 플레이트의 전단 설계 시, FRP 재료의 취성적인 특성, 뚫림전단파괴의 취성적인 거동 특성을 고려했을 때, ACI의 전단강도 식을 사용하는 것이 더 합리적이라고 판단된다.


























